Texas Instruments bq51013/bq51013-Q1 Wireless Power Supply Receivers
Texas Instruments bq51013/bq51013-Q1 Wireless Power Supply Receivers are advanced, integrated receiver ICs for wireless power transfer in portable applications. bq51013/bq51013-Q1 wireless power supply receivers provide the AC/DC power conversion while integrating the digital control required to comply with the Qi v1.0 communication protocol. The bq500110 transmitter controller and the bq51013/bq51013-Q1 enable a complete contact-less power transfer system for a wireless power supply solution. Texas Instruments bq51013/bq51013-Q1 wireless power supply receivers provide 93% overall peak AC-DC efficiency. These devices are designed for use in various applications, including WPC compliant receivers, cell phones and smartphones, headsets, digital cameras, portable media players, and hand-held devices. The bq51013-Q1 devices are AEC-Q100 qualified for automotive applications.Features
- Integrated wireless power receiver solution with a 5V regulated supply
- 93% Overall peak AC-DC efficiency
- Full synchronous rectifier
- WPC v1.0 compliant communication control
- Output voltage conditioning
- Only IC required between RX coil and 5VDC output voltage
- Dynamic rectifier control for improved load transient response
- Supports 20V maximum input
- Low-power dissipative rectifier overvoltage clamp (VOVP = 15V)
- Thermal shutdown
- Single NTC/control pin for optimal safety and I/O between host
- Stand-alone digital controller
- 1.9mm × 3mm DSBG or 4.5mm × 3.5mm QFN package
Applications
- WPC compliant receivers
- Cell phones, smart phones
- Headsets
- Digital cameras
- Portable media players
- Hand-held devices
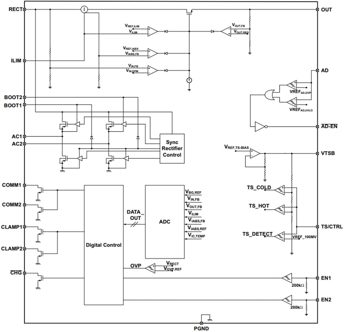
Simplified Block Diagram
發佈日期: 2011-06-22
| 更新日期: 2022-03-11
