Texas Instruments bq76952 High-Accuracy Battery Monitor & Protector
Texas Instruments bq76952 High-Accuracy Battery Monitor and Protector is for 3-series to 16-series Li-Ion, Li-Polymer, and LiFePO4 battery packs. The device includes a high-accuracy monitoring system, a highly configurable protection subsystem, and support for autonomous or host-controlled cell balancing. Integration includes high-side charge-pump NFET drivers, dual programmable LDOs for external system use, and a host communication peripheral supporting 400kHz I2C, SPI, and HDQ one-wire standards. The Texas Instruments bq76952 device is available in a 48-pin TQFP package.Features
- Battery monitoring capability for 3-series to 16-series cells
- Integrated charge pump for high-side NFET protection with optional autonomous recovery
- Extensive protection suite including voltage, temperature, current, and internal diagnostics
- Two independent ADCs
- Support for simultaneous current and voltage sampling
- High-accuracy coulomb counter with input offset error < 1µV (typical)
- High accuracy cell voltage measurement < 10mV (typical)
- Multiple power modes (typical battery pack operating range conditions)
- NORMAL mode (286µA)
- Multiple SLEEP mode options (24µA to 41µA)
- Multiple DEEPSLEEP mode options (9µA to 10µA)
- SHUTDOWN mode (1µA)
- Wide-range current applications (±200mV measurement range across sense resistor)
- Integrated secondary chemical fuse drive protection
- Autonomous or host-controlled cell balancing
- High-voltage tolerance of 85V on cell connect and select additional pins
- Tolerant of random cell attach sequence on the production line
- Support for temperature sensing using an internal sensor and up to nine external thermistors
- Integrated one-time-programmable (OTP) memory programmable by customers on the production line
- Communication options include 400kHz I2C, SPI, and HDQ one-wire interface
- Dual-programmable LDOs for external system usage
- 48-pin TQFP package (PFB)
Applications
- Battery backup unit (BBU)
- E-bike, e-scooter, and LEV
- Cordless power tools and garden tools
- Non-military drones
- Other industrial battery packs (≥ 10S)
Additional Resources
- Design Guide: TIDA-010208
- Application Note: Cell Balancing With bq769x2 Battery Monitors
- Application Note: Multiple FETs With The bq769x2 Battery Monitors
- Application Note: Using Low-Side FETs With The bq769x2 Battery Monitor Family
- Application Report: bq769x2 Software Development Guide
- Application Report: bq76952 High-Voltage Stress Report
- Application Report: Easy Configuration of bq76942, bq76952 Battery Monitors
- Application Report: Parallel Paths With The bq76952 Battery Monitor Family
- Application Report: Pin Equivalent Diagrams for the bq76952, bq76942, and bq769142
- Programmer's Guide: bq769x2 Calibration and OTP Programming Guide
- Test Report: bq76942 IEC ESD 61000-4-2 Test Report
- User's Guide: bq76952 Technical Reference Manual
Electric Scooter Block Diagram
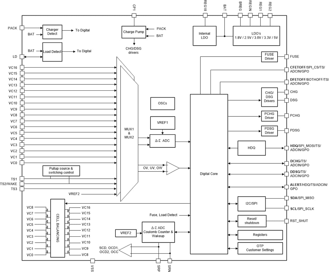
Battery Monitor Block Diagram
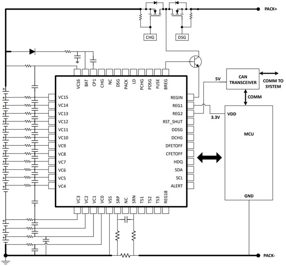
Simplified Schematic
發佈日期: 2020-11-02
| 更新日期: 2024-09-16
