Texas Instruments DAC43902-Q1 Automotive Smart DAC
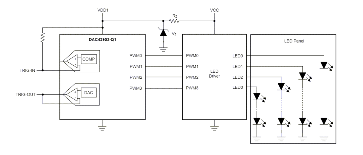
Texas Instruments DAC43902-Q1 Automotive Smart DAC provides four PWM outputs that can also function as trigger inputs or outputs. The DAC43902-Q1 offers a preconfigured state machine that logic generates logarithmic dimming with configurable timings. The PWM-based logarithmic dimming is applicable in logarithmic fade-in and fade-out applications in automotive interior and exterior lighting. The DAC43902-Q1 also supports sequential animation functional for automotive turn-indicator lights. The device supplies NVM for storing the configurations. These smart DACs function without needing a processor (processor-less operation) using GPIOs and NVM.The TI DAC43902-Q1 Automotive Smart DAC automatically detects I2C or SPI and has an internal reference. The feature set, incorporated with the tiny package and low power, makes the DAC43902-Q1 ideal for applications in automotive light animation.
Features
- AEC-Q100 qualified for automotive applications:
- Temperature grade 1 of -40°C to +125°C, TA
- Pulse-width modulation (PWM) output on digital pins (218Hz to 48.8kHz)
- Logarithmic dimming
- LED fade-in fade-out with GPIO control
- Programmable comparators and DACs configured as GPIO
- Automatically detects I2C or SPI
- 1.62V VIH with VDD = 5.5V
- Sequential turn indicator animation
- VREF/MODE pin to select between programming and standalone modes
- User-programmable nonvolatile memory (NVM)
- Internal, external, or power supply as reference
- Wide operating range
- Power supply of 1.8V to 5.5V
- Temperature range of -40˚C to +125˚C
- Tiny package of 16-pin WQFN (3mm × 3mm)
Applications
- Rear light
- Small light
- Interior light
Sequential Turn Indicator Animation Using DAC43902-Q1
Functional Block
Additional Resource
發佈日期: 2024-01-25
| 更新日期: 2025-05-06
