具備低功耗睡眠模式,可關閉大部分內部電路來實現超低靜態電流消耗。內部保護功能包含欠壓、過電流和過熱保護。DRV8410出自腳位對腳位、可擴展RDS(ON)選項的裝置系列,可在最少的設計變動下支援各種負載。
特點
- 雙H橋馬達驅動器,可驅動:
- 一個雙極步進馬達
- 一或兩個有刷DC馬達
- 電磁閥和其他電感負載
- HS + LS = 800 mΩ(典型值,25°C)低導通電阻
- 寬供應電壓範圍:1.65V至11V
- 腳位對腳位相容於:
- DRV8833,每橋為360 mΩ
- DRV8833C,每橋為1735 mΩ
- DRV8847,每橋為1000 mΩ
- DRV8411,每橋為400 mΩ
- DRV8411A,每橋為400 mΩ
- 2.5A峰值高輸出電流能力
- PWM控制介面
- 支援1.8V、3.3V和5V邏輯輸入
- 整合式電流調節
- 低功耗睡眠模式
- ≤30 nA(在VVM = 5V、TJ = +25°C時)
- 小型封裝和尺寸
- 16腳位HTSSOP,含PowerPAD™,5.0 mm x 4.4 mm
- 16腳位WQFN,含PowerPAD™,3.0 mm x 3.0 mm
- 整合保護功能
- VM欠壓鎖定 (UVLO)
- 自動重試過電流保護 (OCP)
- 過熱關機 (TSD)
- 故障指示腳位 (nFAULT)
應用
- 電池供電玩具
- POS印表機
- 影像安全監控攝影機
- 辦公室自動化機器
- 遊戲機
- 機器人
- 電子智慧鎖
- 一般的電磁閥負載
簡化配置圖
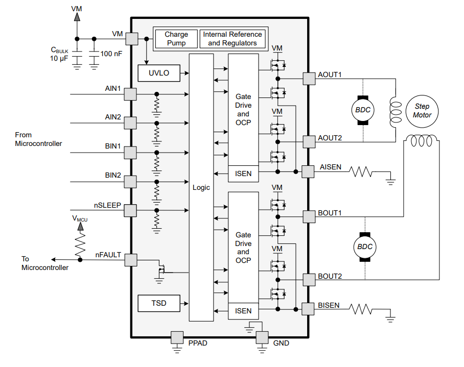
功能方塊圖
發佈日期: 2022-12-19
| 更新日期: 2024-07-15

