Texas Instruments DS560DF410 Four-Channel Multi-Rate Retimer

Texas Instruments DS560DF410 Four-Channel Multi-Rate Retimer comes with integrated signal conditioning. The device extends the reach and robustness of long, lossy, crosstalk-impaired high-speed serial links. Each channel in the DS560DF410 independently locks to symbol rates (PAM4 and NRZ) in a continuous range from 19.6 to 28.9GBd or any supported sub-rate. The integrated CDR function is ideal for front-port optical module applications to retime the high-speed serial data and reset the jitter budget. These features allow for individual lane forward error correction (FEC) pass-through. In addition, the DS560DF410 supports automatic lane rate switching for CDR lock up to five different combinations of modulation types and baud rates without host intervention.

The advanced equalization features of the Texas Instruments DS560DF410 include a continuously adaptive continuous-time linear equalizer (CTLE), decision feedback equalizer (DFE), RX feed-forward equalizer (FFE), and a programmable, low-jitter 4-tap TX feed-forward equalizer (FFE) filter. These features enable reach extension for lossy interconnects such as direct-attach copper (DAC) cables and backplanes with multiple connectors and crosstalk. The DS560DF410 has a bit mux and de-mux gearbox for simple PAM4-to-NRZ or NRZ-to-PAM4 conversion between host and module. The gearbox can aggregate a pair of NRZ inputs up to 28.9GBd into one 28.9GBd PAM4 output and de-aggregate a single 28.9GBd PAM4 input into a pair of 28.9GBd NRZ outputs.

The DS560DF410 can be configured either through I2C or through an external EEPROM. Up to 16 devices can share a single EEPROM.

Features

  • Quad-channel multi-protocol retimer with integrated signal conditioning
  • All channels lock independently to both PAM4 and NRZ data rates from 19.6 to 28.9GBd (including div-by-2 and div-by-4 sub-rates)
  • Suitable for up to CEI-56G, Ethernet™ (400GbE), fiber channel (64GFC), InfiniBand™ (HDR), and CPRI/eCPRI PCB, copper cable, and optical applications
  • Low latency: < 2000ps (typical) at 26.5625GBd
  • Continuously adaptive time linear equalizer (CTLE), RX feed-forward equalizer (FFE), and decision feedback equalizer (DFE) to support 30+dB channel loss at 13.28GHz
  • Automatic lane rate switching for CDR locks up to five different combinations of baud rates and modulation types
  • Integrated 2×2 crosspoint
  • Adjustable 4-tap TX FFE filter
  • Gearbox mode support (NRZ/PAM4 bit mux/de-mux, NRZ/PAM4 serializer/deserializer)
  • On-chip eye opening monitor (EOM), PRBS generator, and PRBS checker for debug
  • Dual 1.8V and 1.2V supplies
  • –40°C to +85°C operating temperature range
  • 7.65mm × 7.65mm BGA package with integrated AC coupling capacitors

Applications

  • Active electrical cables (AEC) (SFP, SFP-DD, QSFP, QSFP-DD, OSFP)
  • Backplane (KR) and midplane C2C attachment unit interface (AUI) reach extension
  • Front-port C2M attachment unit interface (AUI) jitter cleaning
  • Speed doubling (gearbox) with NRZ-to-PAM4 aggregation and de-aggregation

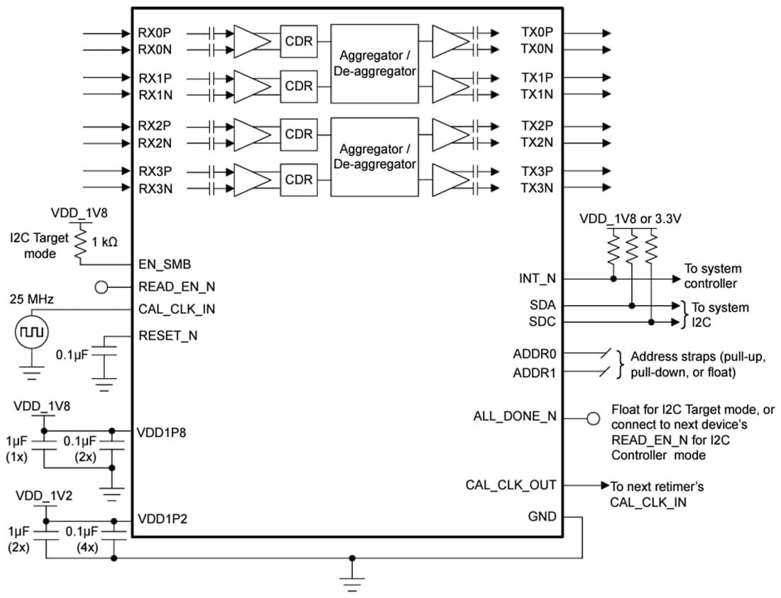
Simplified Schematic

Schematic - Texas Instruments DS560DF410 Four-Channel Multi-Rate Retimer
發佈日期: 2023-05-08 | 更新日期: 2024-02-09