Texas Instruments DS90UB662-Q1四通道FPD-Link III解串器中樞
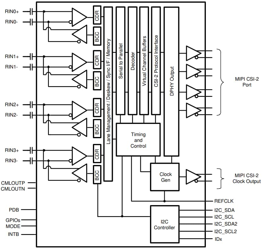
Texas Instruments DS90UB662-Q1四通道FPD-Link III解串器中樞是一款多功能的感測器中樞,可連接透過FPD-Link III介面從四個獨立視訊資料串流接收到的串行感測器資料。DS90UB662-Q1搭配DS90UB633A-Q1或DS90UB63x CSI-2串聯器使用時,可接收來自100萬畫素影像感測器的資料,支援720p/800p/960p/1MP解析度(30Hz或60Hz畫格率)。中樞接收資料後會彙整到符合MIPI CSI-2的輸出,與下游處理器互連。Texas Instruments DS90UB662-Q1包含四個FPD-Link III解串器,每個都可透過高成本效益的50Ω單端同軸電纜或100Ω差分STP電纜進行連接。接收等化器會自動調整,以補償電纜損耗特性,包括隨時間的衰退。每個FPD-Link III介面也都包含獨立的低延遲雙向控制通道,可連續傳遞I2C、GPIO和其他控制資訊。一般用途I/O訊號,例如攝影機同步和診斷功能所需的那些訊號,也可利用此雙向控制通道。
DS90UB662-Q1已通過AEC-Q100認證,可滿足汽車應用的要求,並採用具成本效益且省空間的64腳位VQFN封裝。
特點
- 符合AEC-Q100汽車應用標準:
- –40°C至+105°C環境作業溫度範圍(裝置溫度Grade 2)
- 裝置HBM ESD分級:±3kV級
- 裝置CDM ESD分級:C5級
- 四通道解串器中樞可彙整多達4部感測器的資料
- 支援最高60Hz畫格率的100萬畫素感測器,和最高30Hz畫格率的200萬畫素感測器
- 可精準同步多部攝影機
- 符合MIPI DPHY 1.2版/CSI-2 1.3版標準
- 一個CSI-2 MIPI輸出埠
- 支援1、2、3、4個資料通路
- CSI-2資料傳輸速率,每通道可擴充至400Mbps/800Mbps/1.2Gbps/1.5Gbps/1.6Gbps
- 超低的資料和控制路徑延遲
- 支援單端同軸電纜,包括同軸供電 (PoC) 或屏蔽雙絞線 (STP) 電纜
- 可調式接收等化
- 雙I2C連接埠,高速模式最高達1Mbps
- 彈性的GPIO,可用於感測器同步與診斷
- 相容於DS90UB633A-Q1串聯器和DS90UB63x CSI-2串聯器
- 內部可程式精密畫格同步產生器
- 線路故障偵測和進階診斷
- 具功能安全性
- 提供可協助設計ISO 26262系統的文件
應用
- 汽車ADAS
- 後視攝影機 (RVC)
- 環景系統 (SVS)
- 攝影機監控系統 (CMS)
- 前視攝影機 (FC)
- 駕駛員監控系統 (DMS)
- 衛星RADAR、飛行時間 (ToF) 和LIDAR感測器模組
- 感測器融合
- 保全與監控
功能方塊圖
影片
發佈日期: 2020-12-16
| 更新日期: 2025-02-27
