Texas Instruments INA250/INA250-Q1 Zero-Drift Current-Shunt Monitor
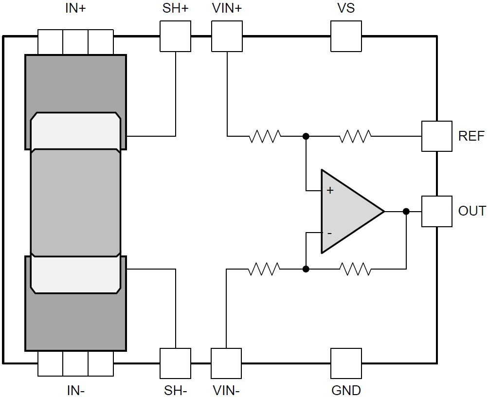
Texas Instruments INA250/INA250-Q1 Bi-Directional Zero-Drift Current-Shunt Monitor is a voltage-output, current-sensing amplifier that integrates an internal shunt resistor. This enables high-accuracy current measurements at common-mode voltages that can vary from 0V to 36V, independent of the supply voltage. Texas Instruments INA250/INA250-Q1 device is a bidirectional, low- or high-side current-shunt monitor. It allows an external reference to be used to measure the current flowing in both directions through the internal current-sensing resistor sensor. The integration of the precision current-sensing resistor provides calibration equivalent measurement accuracy with ultra-low temperature drift performance. It also ensures an optimized Kelvin layout for the sensing resistor is always obtained. The INA250-Q1 devices are AEC-Q100 qualified for automotive applications.Features
- Precision Integrated Shunt Resistor
- 2mΩ shunt resistor
- 0.1% (max) shunt resistor tolerance
- 15A continuous from -40°C to +85°C
- 0°C to +125°C temperature coefficient: 10ppm/°C
- High Accuracy
- 0.3% (max) gain error (shunt and amplifier)
- 50mA (max, INA250A2) offset current
- Four Available Gains
- INA250A1: 200mV/A
- INA250A2: 500mV/A
- INA250A3: 800mV/A
- INA250A4: 2V/A
- -0.1V to 36V wide common-mode range
- -40°C to +125°C operating temperature range
Applications
- Test equipment
- Power supplies
- Servers
- Telecom equipment
- Automotive
- Solar inverters
- Power management
Datasheets
Functional Block Diagram
發佈日期: 2015-07-09
| 更新日期: 2025-05-29
