Texas Instruments LMG3526R030 GaN FET with Integrated Driver
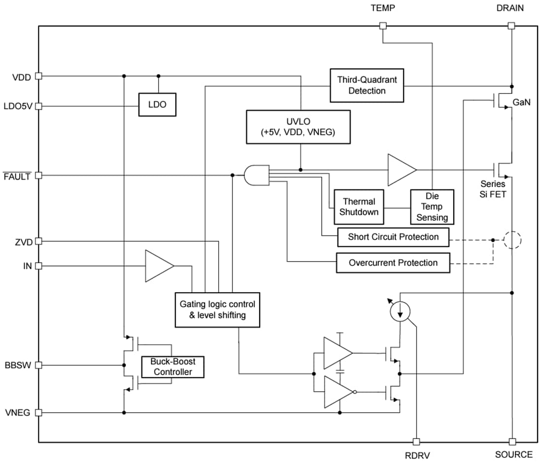
Texas Instruments LMG3526R030 GaN FET with Integrated Driver comes with protections and targets switch-mode power converters and enables designers to achieve new power density and efficiency levels. The LMG3526R030 integrates a silicon driver that enables switching speeds up to 150V/ns. TI’s integrated precision gate bias results in higher switching SOA than discrete silicon gate drivers. This integration, combined with TI’s low-inductance package, delivers clean switching and minimal ringing in hard-switching power supply topologies. Adjustable gate drive strength allows control of the slew rate from 20V/ns to 150V/ns, which can be used to control EMI and optimize switching performance actively.Advanced features include digital temperature reporting, fault detection, and zero-voltage detection (ZVD). The temperature of the GaN FET is reported through a variable duty cycle PWM output. Faults reported include overtemperature, overcurrent, and UVLO monitoring. ZVD feature can provide a pulse output from the ZVD pin when zero-voltage switching (ZVS) is realized.
Features
- 650V GaN-on-Si FET with integrated gate driver
- Integrated high precision gate bias voltage
- 200V/ns FET hold-off
- 2MHz switching frequency
- 20V/ns to 150V/ns slew rate for optimization of switching performance and EMI mitigation
- Operates from 7.5V to 18V supply
- Robust protection
- Cycle-by-cycle overcurrent and latched short-circuit protection with < 100ns response
- It withstands 720V surge while hard-switching
- Self-protection from internal overtemperature and UVLO monitoring
- Advanced power management
- Digital temperature PWM output
- Top-side cooled 12mm × 12mm VQFN package separates electrical and thermal paths for lowest power loop inductance
- Zero-voltage detection feature that facilitates soft-switching converters
Applications
- Switch-mode power converters
- Merchant network and server PSU
- Merchant telecom rectifiers
- Solar inverters and industrial motor drives
- Uninterruptable power supplies
Functional Block Diagram
發佈日期: 2023-06-19
| 更新日期: 2024-07-25
