Texas Instruments LMR38020/LMR38020-Q1 Buck Converter
Texas Instruments LMR38020/LMR38020-Q1 SIMPLE SWITCHER® Buck Converter is designed to regulate over a wide input voltage range, minimizing the need for external surge suppression components. The LMR38020/LMR38020-Q1 operates during input voltage dips as low as 4.2V, at nearly 100% duty cycle if needed, making it an excellent choice for wide input industrial applications and MHEV/EV systems.The Texas Instruments LMR38020/LMR38020-Q1 uses precision enable to provide flexibility by enabling a direct connection to the wide input voltage or precise control over device start-up and shutdown. With built-in filtering and delay, the power-good flag offers an accurate indication of system status, eliminating the need for an external supervisor. The device incorporates a pseudorandom spread spectrum for minimal EMI, and the switching frequency can be configured between 200kHz and 2.2MHz to avoid noise-sensitive frequency bands. In addition, the frequency can be selected for improved efficiency at a low operating frequency or a smaller solution size at a high operating frequency.
The device has built-in protection features such as cycle-by-cycle current limit, hiccup mode short-circuit protection, and thermal shutdown in case of excessive power dissipation. The LMR38020/LMR38020-Q1 is available in an 8-pin HSOIC PowerPAD package. The LMR38020-Q1 devices are AEC-Q100 qualified for automotive applications.
Features
- Configured for rugged industrial applications
- 4.2V to 80V input voltage range
- 2A continuous output current
- Ultra-low 40µA operating quiescent current
- > 1.5mm distance between VIN and GND pin
- Adjustable switching frequency from 200kHz to 2.2MHz
- Frequency synchronization to an external clock
- Spread spectrum option for reduced EMI
- 97% maximum duty cycle
- Support start-up with pre-biased output
- ±1.0% tolerance voltage reference at room temperature
- Precision enable
- Easy to use with a low BOM count
- Integrated synchronous rectification
- Internal compensation for ease of use
- 8-pin HSOIC with PowerPAD™ package
- PFM and forced PWM (FPWM) options
- Functional Safety-Capable
- Documentation available to aid functional safety system design
Applications
- Industrial transport
- Wireless infrastructure and networking
- Power delivery
- Factory automation and control
Datasheets
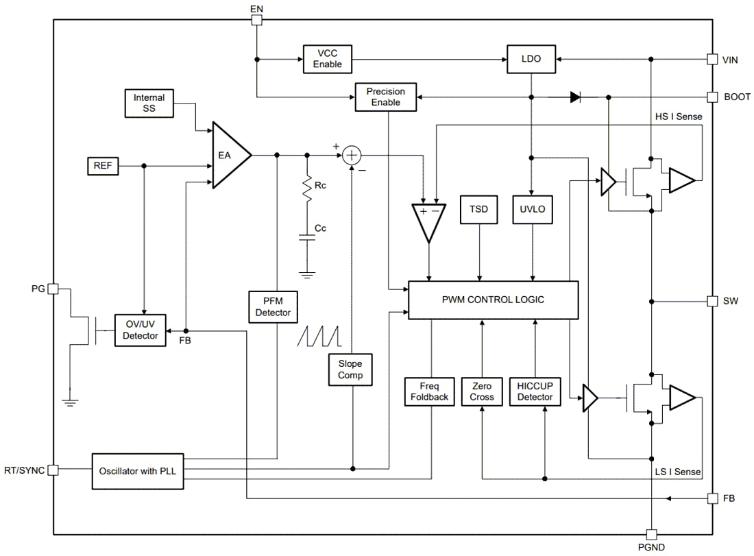
Functional Block Diagram
