Texas Instruments LMR50410/LMR50410-Q1 Step-Down Converter

Texas Instruments LMR50410/LMR50410-Q1 SIMPLE SWITCHER® Step-Down Converter is a wide-VIN, easy-to-use synchronous buck converter capable of driving up to 1A load current. With a wide input range of 4V to 36V, the device is suitable for a wide range of applications for power conditioning from an unregulated source. The LMR50410/LMH50410-Q1 operates at a switching frequency to support relatively small inductors for an optimized solution size. It has a PFM version that realizes high efficiency at light load and small output voltage ripple over the full load range. Soft-start and compensation circuits are implemented internally, which allows the device to be used with minimum external components.

The device has built-in protection features, such as cycle-by-cycle current limit, hiccup mode short-circuit protection, and thermal shutdown in case of excessive power dissipation. The Texas Instruments LMR50410/LMR50410-Q1 is available in SOT-23-6 package. The LMR50410-Q1 devices are AEC-Q100 qualified for automotive applications.

Features

  • Functional safety-capable
    • Documentation available to aid functional safety system design
  • Configured for rugged applications
    • 4V to 36V input voltage range
    • 1A continuous output current
    • 60ns minimum switching-on time
    • 2.1MHz fixed switching frequency
    • –40°C to 150°C junction temperature range
    • 98% maximum duty cycle
    • Monotonic start-up with pre-biased output
    • Internal short circuit protection with hiccup mode
    • ±1% tolerance voltage reference
    • Precision enable
  • Small solution size and ease of use
    • Integrated synchronous rectification
    • Internal compensation for ease of use
    • SOT-23-6 package
  • Pin-to-pin compatible with TPS560430-Q1
  • Various options in pin-to-pin compatible package
    • PFM and forced PWM (FPWM) options
    • Fixed 3.3V output option

Applications

  • Body electronics and lighting
  • Infotainment and cluster
  • ADAS
  • General purpose wide VIN power supplies

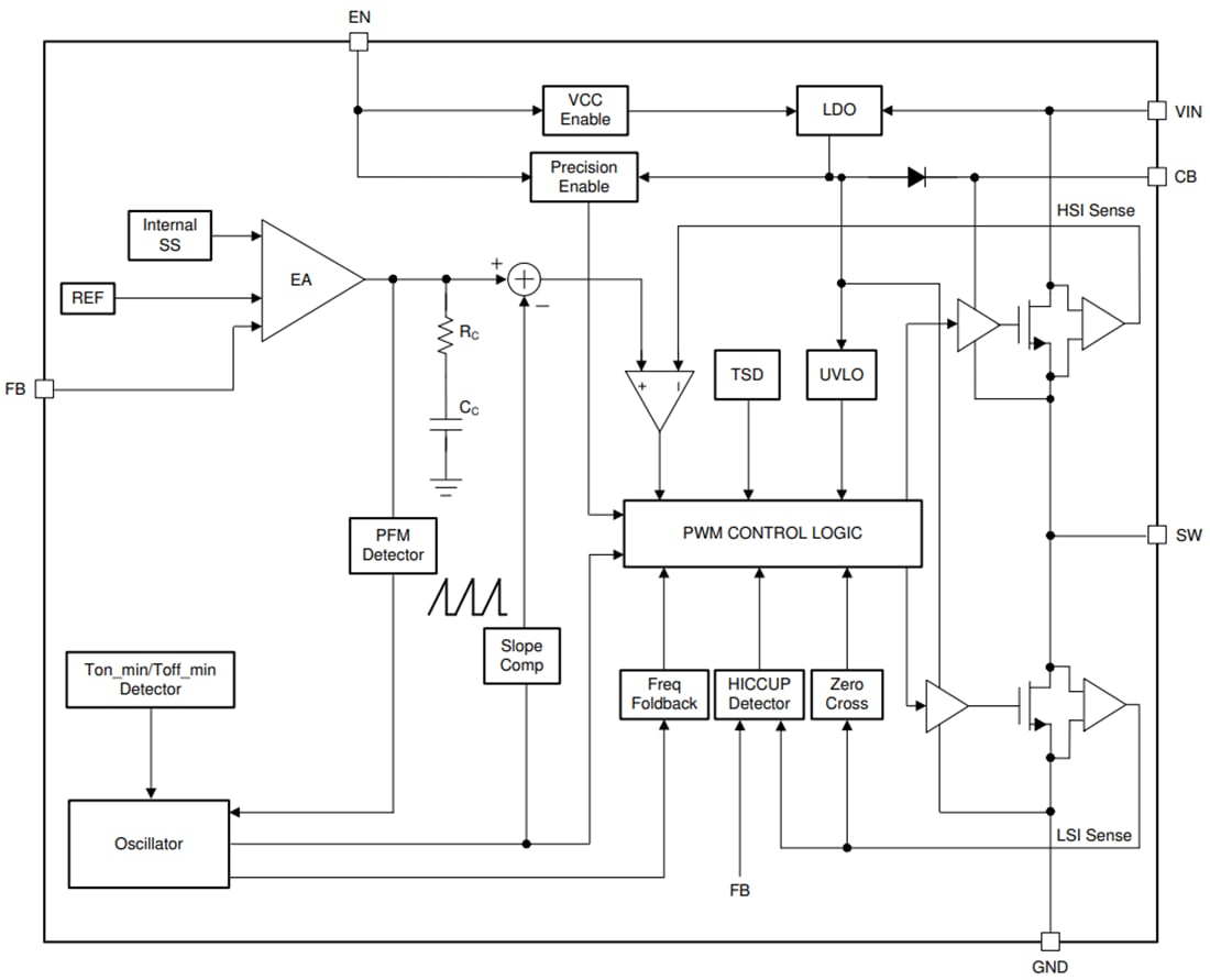
Functional Block Diagram

Block Diagram - Texas Instruments LMR50410/LMR50410-Q1 Step-Down Converter
發佈日期: 2020-09-28 | 更新日期: 2024-11-05