Texas Instruments LP87745 PMIC
Texas Instruments LP87745 Power Management Integrated Circuit (PMIC) is designed to meet the power management requirements of the IWR MMICs in various industrial radar applications. This IC includes a three step-down converter, a 5V boost converter, and 1.8V/3.3V LDO; the LDO is powered by boost and designed for xWR I/O supply. The LP87745 PMIC supports 4.4MHz, 8.8MHz, and 17.6MHz programmable switching frequency range. This PMIC features high switching frequency and low noise across a wide frequency range that enables an LDO-free to-power solution with minimal or no passive filtering. The high switching frequency enhances thermals and transient settling for the MMIC RF rails. The LP87745 PMIC forces the switching clock into PWM mode for optimal RF performance and can also be synchronized to an external clock. This IC supports remote voltage sensing to compensate for IR drop between the regulator output and the Point-Of-Load (POL), improving the output voltage's accuracy.The LP87745 PMIC supports programmable start-up/shutdown delays and sequences synchronized to the ENABLE signal. Typical applications include factory automation and control, industrial transport (non-car and non-light trucks), and low ripple and noise devices.
Features
- 3.3V nominal (3V to 4V range) input voltage range
- Three low-noise step-down DC/DC converters:
- 0.9V to 1.9V, 0.8V (BUCK3), and 0.82V (BUCK3) output voltage range
- 3A/3A/3A maximum output current
- 4.4MHz, 8.8MHz, and 17.6MHz switching frequency
- 5V boost converter at 350mA maximum output current
- 150mA LDO at 1.8V or 3.3V output voltage range
- -40°C to 125°C operating temperature range
- Output short-circuit and overload protection
- Input Over-Voltage Protection (OVP) and Under-Voltage Lockout (UVLO)
- Overtemperature warning and protection
- Serial Peripheral Interface (SPI)
Applications
- Factory automation and control
- Industrial transport (non-car and non-light truck)
- Low ripple and low noise applications
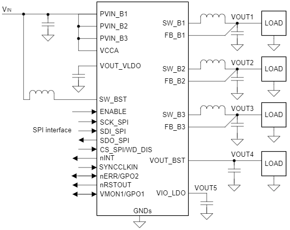
Application Diagram
發佈日期: 2024-01-12
| 更新日期: 2024-01-23
