TI MSPM0G110x MCU非常適合馬達控制、家電、不斷電系統 (UPS) 和逆變器、醫療保健、電網基礎架構、照明和其他應用。
特點
- Arm 32位元Cortex-M0+ CPU,結合記憶體保護單元,頻率高達80 MHz
- 延伸溫度範圍:-40°C至+105°C
- 寬廣供應電壓範圍:1.62V至3.6V
- 記憶體
- 最高64 KB快閃記憶體,內建ECC
- 最高32 KB ECC保護SRAM,具硬體同位元功能
- 高效能類比周邊裝置
- 兩個同時取樣的12位元4 Msps類比轉數位轉換器 (ADC),最多17個外部通道
- 250 ksps時具有硬體平均的14位元有效解析度
- 一個通用放大器 (GPAMP)
- 可設定的1.4V或2.5V內部共用電壓參考 (VREF)
- 內建溫度感測器
- 兩個同時取樣的12位元4 Msps類比轉數位轉換器 (ADC),最多17個外部通道
- 智慧型數位周邊裝置
- 7通道DMA控制器
- 兩個16位元進階控制計時器,支援死區插入和故障處理
- 七個計時器,支援多達22個PWM通道
- 一個16位元通用計時器
- 一個16位元通用計時器支援QEI
- 兩個16位元通用計時器支援待機模式下的低功耗作業
- 一個32位元通用計時器
- 兩個帶有死區的16位元進階計時器
- 兩個視窗型監視計時器
- 含鬧鐘和日曆模式的RTC
- 強化通訊介面
- 四個UART介面;一個支援LIN、IrDA、DALI、智慧卡和Manchester,三個支援待機狀態下的低功耗作業
- 兩個I2C介面支援高達FM+ (1 Mbit/s)、SMBus/PMBus,以及從停止模式喚醒
- 兩個SPI介面,一個SPI介面最高支援32 Mbits/s
- 最佳化低功率模式
- 作業時:96µA/MHz (CoreMark)
- 睡眠時:4MHz時為200 μA
- 停止時:32kHz時為50 μA
- 待機時:1.5μA,具有RTC和SRAM保留功能
- 關機時:100nA,具有IO喚醒功能
- 時脈系統
- 內建4MHz至32MHz振盪器,精度高達±1% (SYSOSC)
- 鎖相迴路 (PLL) 高達80 MHz
- 內部32kHz振盪器 (LFOSC)
- 外部4MHz至48MHz晶體振盪器 (HFXT)
- 外部32kHz晶體振盪器 (LFXT)
- 外部時脈輸入
- 資料完整性和加密:循環冗餘檢查器(CRC-16、CRC-32)
- 彈性的I/O
- 最多60個GPIO
- 兩個5V容差IO
- 兩個高驅動IO,驅動強度為20 mA
- 支援2腳位序列線除錯 (SWD) 開發
- 封裝選項
- 64腳位LQFP
- 48腳位LQFP、VQFN
- 32腳位VQFN
- 28腳位VSSOP
- 24腳位VQFN
- 系列產品
- MSPM0G1105:32 KB快閃記憶體、16 KB RAM
- MSPM0G1106:64 KB快閃記憶體、32 KB RAM
- MSPM0G1107:128 KB快閃記憶體、32 KB RAM
- 開發套件與軟體
- LP-MSPM0G3507 LaunchPad™開發套件
- MSP軟體開發套件 (SDK)
應用
- 馬達控制
- 家電
- UPS和逆變器
- 電子銷售點 (POS) 系統
- 醫療保健
- 測試與測量
- 工廠自動化與控制
- 工業運輸
- 電網基礎架構
- 智慧電錶
- 通訊模組
- 照明
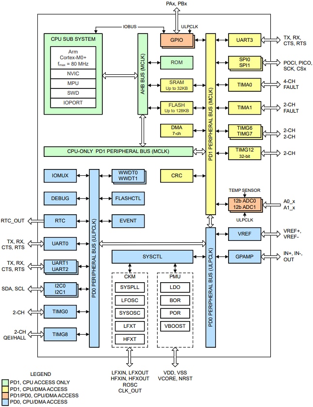
功能方塊圖
發佈日期: 2023-04-03
| 更新日期: 2025-04-16

