Texas Instruments OPA2810軌對軌I/O FET運算放大器
Texas Instruments OPA2810高效能軌對軌輸入/輸出運算放大器為含低輸入偏壓電流的雙通道電壓反饋放大器。裝置可達到單位增益穩定,具105 MHz的小訊號單位增益頻寬。OPA2810具備理想的DC精準度和動態的AC效能,每通道的低靜態電流 (IQ) 為3.6 mA(典型值)。裝置採用TI專有的高速SiGe BiCMOS製程,效能遠高於先前版本。OPA2810為適用於多種高保真度資料擷取與訊號處理應用的最佳選擇,其功能包含70 MHz的增益頻寬乘積 (GBWP)、192 V/µs的 迴轉率,和6 nV/√Hz的電壓低雜訊。此元件的特點是可在 4.75 V 至 27 V 的寬廣電源範圍內工作,並具有軌對軌輸入及輸出。OPA2810提供75 mA的線性輸出電流,具有驅動光電元件和類比轉數位轉換器 (ADC) 輸入或將DAC輸出緩衝至重負載的能力。特點
- 增益頻寬乘積:70 MHz
- 小訊號頻寬:105 MHz
- 迴轉率:192 V/µs
- 廣大電壓範圍:4.75V至27V
- 低雜訊:
- 輸入電壓雜訊:6nV/√Hz (f=500kHz)
- 輸入電流雜訊:5fA/√Hz (f=10kHz)
- 軌對軌輸入和輸出:
- FET輸入級:2 pA輸入偏壓電流(典型值)
- 高線性輸出電流:75mA
- 輸入偏移:±1.5 mV(最大值)
- 偏移漂移:±2 µV/°C(典型值)
- 低功率:3.6 mA/每通道
- 寬廣的作業溫度範圍:-40°C至+125°C
應用
- 寬頻光電二極體轉換阻抗放大器
- 高Z值前端
- 阻抗測量
- 電源分析器
- 多通道感測器介面
- 電平轉換與緩衝
- 光電驅動器
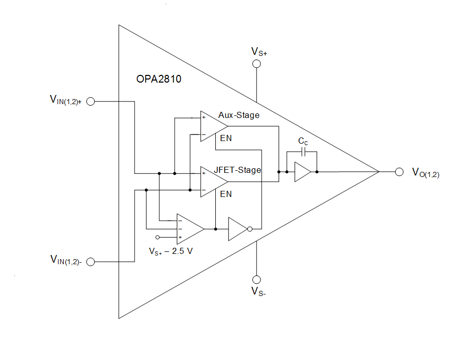
方塊圖
發佈日期: 2018-08-02
| 更新日期: 2024-02-26
