Texas Instruments SN74AVC4T774/SN74AVC4T774-Q1 Bus Transceiver
Texas Instruments SN74AVC4T774/SN74AVC4T774-Q1 Dual-Supply Bus Transceiver uses two separate configurable power-supply rails. The A port is designed to track VCCA. VCCA accepts any supply voltage from 1.2V to 3.6V. The B port is designed to track VCCB. VCCB accepts any supply voltage from 1.2 to 3.6V. The SN74AVC4T774/SN74AVC4T774-Q1 is optimized to operate with VCCA/VCCB set at 1.4V to 3.6V. It is operational with VCCA/VCCB as low as 1.2V. This feature allows universal low-voltage bi-directional translation between any of the 1.2V, 1.5V, 1.8V, 2.5V, and 3.3V voltage nodes.The Texas Instruments SN74AVC4T774/SN74AVC4T774-Q1 is designed for asynchronous communication between data buses. The logic levels of the direction-control (DIR) input and the output-enable (OE) input activate either the B-port outputs or the A-port outputs or place both output ports in the high-impedance mode. The device transmits data from the A bus to the B bus when the B outputs are activated and from the B bus to the A bus when the A outputs are activated. The input circuitry on both A and B ports is always active and must apply a logic HIGH or LOW level to prevent excess ICC and ICCZ. The SN74AVC4T774-Q1 devices are AEC-Q100 qualified for automotive applications.
Features
- Each channel has an independent DIR control input
- Control inputs VIH/VIL levels are referenced to VCCA voltage
- A fully configurable dual-rail design allows each port to operate over the full 1.2V to 3.6V power-supply range
- I/Os are 4.6V tolerant
- Ioff supports partial power-down-mode operation
- Typical data rates
- 380Mbps (1.8V to 3.3V translation)
- 200Mbps (<1.8V to 3.3V translation)
- 200Mbps (translate to 2.5V or 1.8V)
- 150Mbps (translate to 1.5V)
- 100Mbps (translate to 1.2V)
- Latch-up performance exceeds 100mA per JESD 78, Class II
- ESD protection exceeds the following levels (tested per JESD 22)
- ±8000V human-body model (A114-A)
- 250V machine model (A115-A)
- ±1500V charged-device model (C101)
Applications
- Personal electronics
- Industrial
- Enterprise
- Telecom
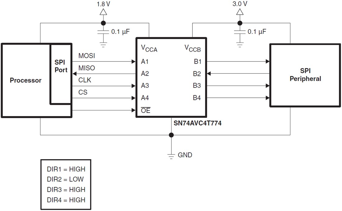
Typical Application Circuit
發佈日期: 2019-01-31
| 更新日期: 2025-06-25
