Texas Instruments SN74HC153 4-to-1 Data Selectors/Multiplexers
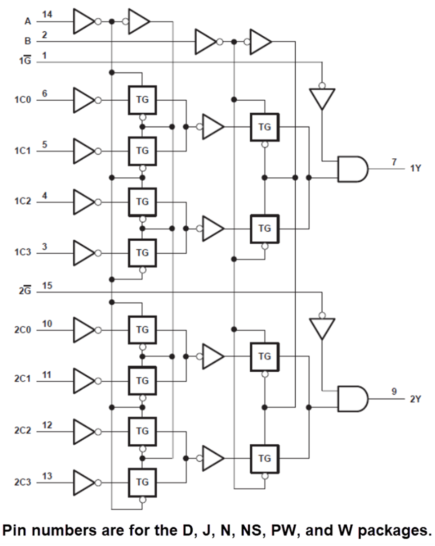
Texas Instruments SN74HC153 Dual 4-to-1-Line Data Selectors/Multiplexers contain full binary decoding to select one of four data sources. The same address-select inputs control both channels, and each channel includes its own strobe (G) input. A high level at the strobe terminal forces the respective output low. The Texas Instruments SN74HC153 has a wide operating voltage range of 2V to 6V.Features
- Wide operating voltage range of 2V to 6V
- Outputs can drive up to 15 LSTTL loads
- Low power consumption, 80μA max ICC
- Typical tpd = 9ns
- ±6mA output drive at 5V
- A low input current of 1μA (max.)
- Permit multiplexing from n lines to one line
- Perform parallel-to-serial conversion
- Strobe (enable) line provided for cascading (N lines to n lines)
Applications
- Selecting data sources
- Interfacing multiple devices to a common bus
- Function generator
- Implementing irregular logic
- An interface between voltage levels
- Battery backup systems
- Digital circuit projects
- General-purpose logic
Additional Resources
- Application Note: Designing With Logic
- Application Note: Implications of Slow or Floating CMOS Inputs
- Application Note: Understanding and Interpreting Standard-Logic Data Sheets
- Application Note: Using High-Speed CMOS and Advanced CMOS in Systems With Multiple VCC
- Selection Guide: Logic Guide
- User Guide: LOGIC Pocket Data Book
Functional Block Diagram
發佈日期: 2025-05-01
| 更新日期: 2025-05-09
