Texas Instruments SN74HCS138/SN74HCS138-Q1 Decoder/Demultiplexer

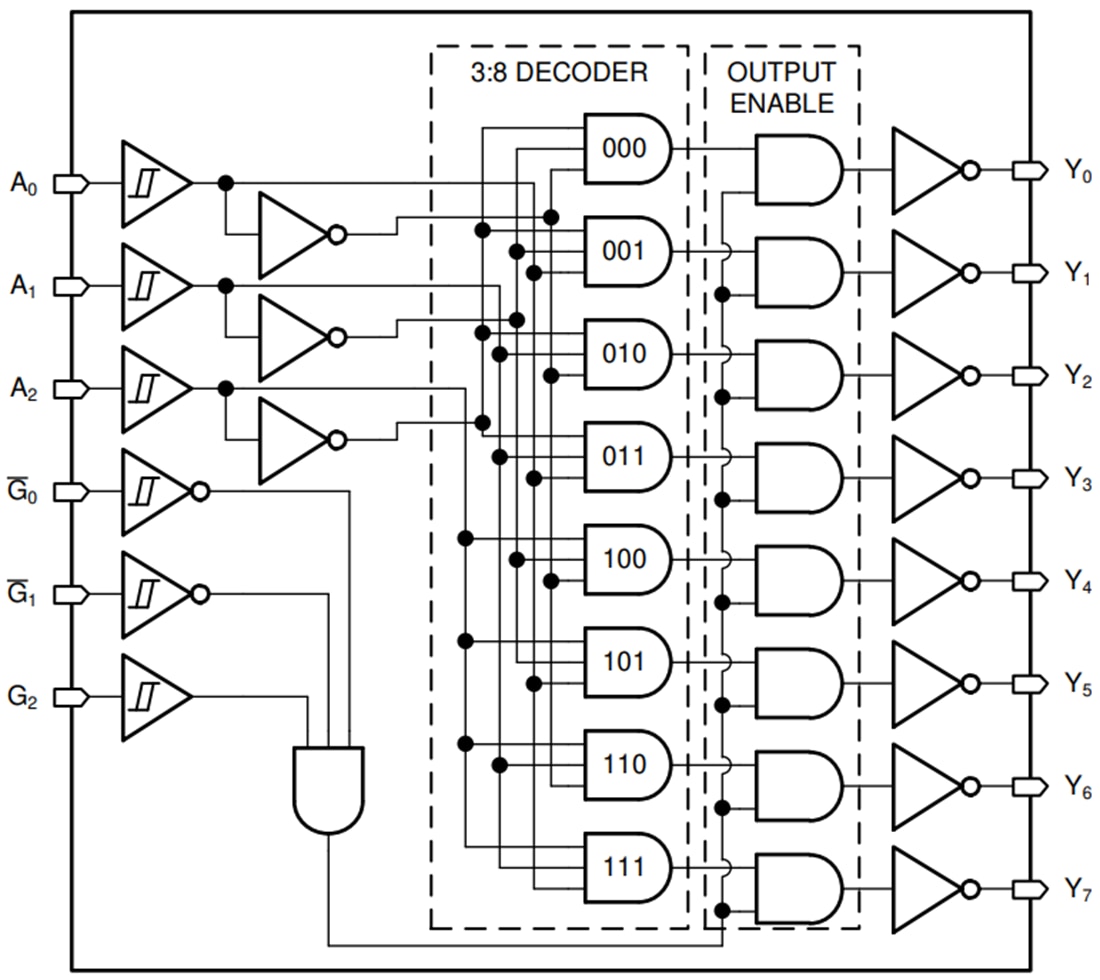
Texas Instruments SN74HCS138/SN74HCS138-Q1 Decoder/Demultiplexer is a three-to-eight decoder with one standard output strobe (G2) and two active-low output strobes (G1 and G0). When the outputs are gated by any of the strobe inputs, they are all forced into the high state. When the outputs are not disabled by the strobe inputs, only the selected output is low, while all others are high. The Texas Instruments SN74HCS138-Q1 devices are AEC-Q100 qualified for automotive applications.

Features

  • 2V to 6V wide operating voltage range
  • Schmitt-trigger inputs allow for slow or noisy input signals
  • ±7.8mA output drive at 6V
  • –40°C to +125°C, TA extended ambient temperature range
  • Low power consumption
    • Typical ICC of 100nA
    • Typical input leakage current of ±100nA

Applications

  • Memory device selection with a shared data bus
  • Route data
  • Reduce the required number of outputs for chip-select applications

Functional Block Diagram

Block Diagram - Texas Instruments SN74HCS138/SN74HCS138-Q1 Decoder/Demultiplexer
發佈日期: 2020-10-26 | 更新日期: 2024-09-06