Texas Instruments SN74LV393B-EP Dual 4-Bit Binary Counter
Texas Instruments SN74LV393B-EP Dual 4-Bit Binary Counter contains eight flip-flops and additional gating to implement two individual 4-bit counters in a single package. These devices are designed for 2V to 5.5V VCC operation. This device is fully specified for partial-power-down applications using Ioff. The Ioff circuitry disables the outputs, preventing damaging current backflow through the device when powered down. The Texas Instruments SN74LV393B-EP device has gold bond wires, a temperature range of –55°C to +105°C, and an SnPb lead finish.Features
- 2V to 5.5V VCC operation
- Maximum tpd of 14.5ns at 5V
- Supports mixed-mode voltage operation on all ports
- Ioff supports partial-power-down mode operation
- Latch-up performance exceeds 250mA per JESD 17
- Operating ambient temperature of -55°C to +125°C
- Supports defense, aerospace, and medical applications
- Controlled baseline
- One assembly and test site
- One fabrication site
- Extended product life cycle
- Product traceability
Applications
- Increase the number of inputs on a microcontroller
- Expand system clock
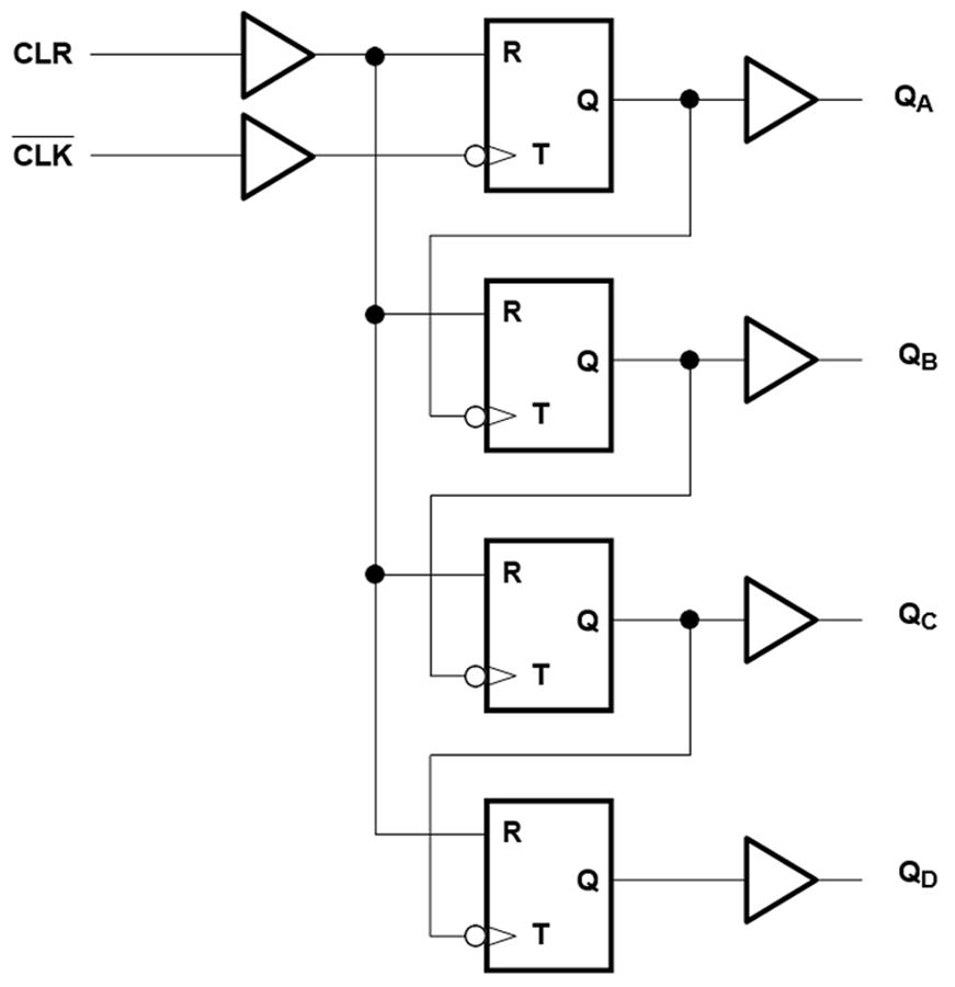
Logic Diagram
發佈日期: 2023-11-02
| 更新日期: 2023-11-09
