Texas Instruments SN74LV8T138-EP 3-to-8 Line Decoder/Demultiplexer
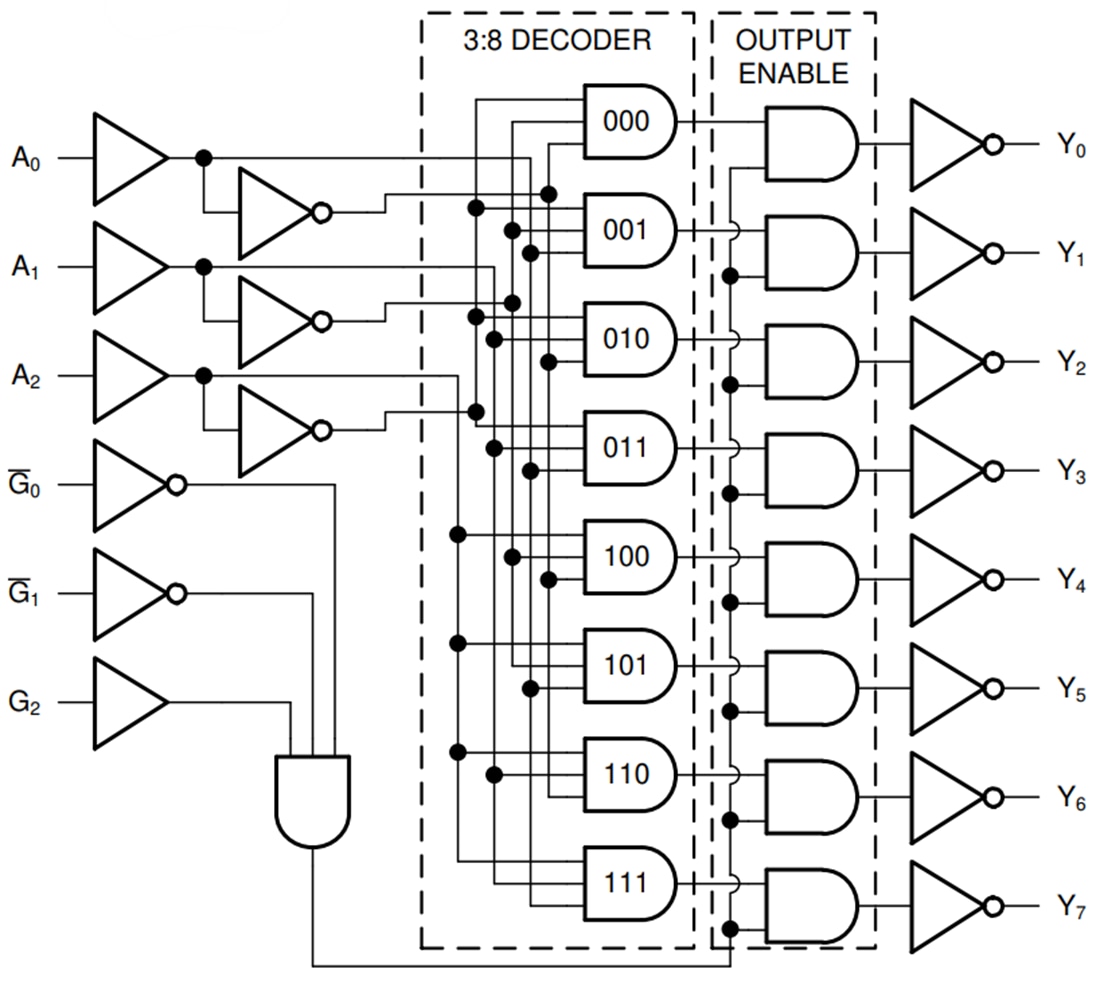
Texas Instruments SN74LV8T138-EP 3-to-8 Line Decoder/Demultiplexer with two active low output strobes (G1 and G0) and one standard output strobe (G2). The outputs are all forced into the high state when the outputs are gated by any of the strobe inputs. When the outputs are not disabled by the strobe inputs, only the selected output is low, while all others are high. The output level supports 1.8V, 2.5V, 3.3V, and 5V CMOS levels and references the supply voltage (VCC).The input is designed with a lower threshold circuit to support up translation for lower voltage CMOS inputs (for example, 1.2V input to 1.8V output or 1.8V input to 3.3V output). In addition, the 5V tolerant input pins enable down translation (for example, 3.3V to 2.5V output). The Texas Instruments SN74LV8T138-EP devices have gold bond wires, a temperature range of –55 to +105°C, and an SnPb lead finish.
Features
- Wide operating range of 1.65V to 5.5V
- 5.5V tolerant input pins
- Single-supply voltage translator
- Up translation
- 1.2V to 1.8V
- 1.5V to 2.5V
- 1.8V to 3.3V
- 3.3V to 5.0V
- Down translation
- 5.0V, 3.3V, 2.5V to 1.8V
- 5.0V, 3.3V to 2.5V
- 5.0V to 3.3V
- Up translation
- Up to 150Mbps with 5V or 3.3V VCC
- Supports standard function pinout
- Latch-up performance exceeds 250mA per JESD 17
- Supports defense and aerospace applications
- Controlled baseline
- One assembly and test site
- One fabrication site
- Extended product life cycle
- Product traceability
Applications
- Enable or disable a digital signal
- Controlling an indicator LED
- Translation between communication modules and system controllers
Simplified Logic Diagram
發佈日期: 2025-04-04
| 更新日期: 2025-04-11
