Texas Instruments TAS5630B 300W Stereo Class D Amplifier
Texas Instruments TAS5630B 300W Stereo Class D Amplifier is a high-performance analog-input device with integrated closed-loop feedback PurePath HD technology. TAS5630B Class D Amplifier can drive up to 300W stereo into 4Ω to 8Ω speakers from a single 50V supply. PurePath HD technology enables traditional AB-amplifier performance (<0.03% THD) levels while providing the power efficiency of traditional class-D amplifiers. Unlike traditional class-D amplifiers, the TAS5630B has a distortion curve that does not increase until the output levels move into clipping. This Texas Instruments stereo Class D amplifier is ideal for use in a variety of applications, including mini combo systems, AV receivers, DVD receivers, and active speakers.Features
- PurePath™ HD Enabled Integrated Feedback Provides:
- Signal Bandwidth up to 80kHz for High-Frequency Content From HD Sources
- Ultra-low 0.03% THD at 1W into 4Ω
- Flat THD at all Frequencies for Natural Sound
- 80dB PSRR (BTL, No Input Signal)
- > 100dB (A-weighted) SNR
- Click-and-Pop-Free Start-Up
- Multiple Configurations Possible on the Same PCB With Stuffing Options:
- Mono Parallel Bridge-Tied Load (PBTL)
- Stereo Bridge-Tied Load (BTL)
- 2.1 Single-Ended Stereo Pair and Bridge-Tied Load Subwoofer
- Quad Single-Ended Outputs
- Total Output Power at 10% THD+N
- 400W in Mono PBTL Configuration
- 300W per Channel in Stereo BTL Configuration
- 145W per Channel in Quad Single-Ended Configuration
- High-Efficiency Power Stage (>88%) With 60mΩ Output MOSFETs
Applications
- Mini Combo System
- AV Receivers
- DVD Receivers
- Active Speakers
Application Schematic
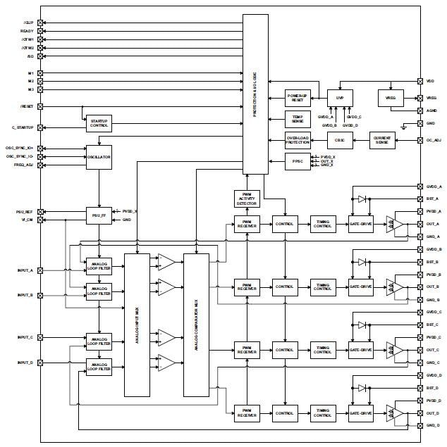
Functional Block Diagram
發佈日期: 2012-03-19
| 更新日期: 2020-12-11
