Texas Instruments TAS5806M Class-D Audio Amplifiers
Texas Instruments TAS5806M 23W Stereo, Digital Closed-Loop Class-D Audio Amplifier offers a cost-effective digital input solution with low power dissipation and sound enrichment. The TAS5806M Amplifier integrates an audio processor and 96kHz architecture that supports advanced audio process flow. This includes SRC, 15 BQs per channel, volume control, audio mixing, 3-band 4th order DRC, full-band AGL, THD manager, and level meter.The TAS5806M features the TI proprietary Hybrid Modulation scheme enabling the consumption of low quiescent current (16.5mA at 13.5V PVDD), extending battery life in portable audio applications. Using advanced EMI suppression technology for applications under 10W, users can leverage inexpensive ferrite bead filters to reduce board space and system cost.
Features
- Supports multiple output configurations
- 2 × 23W in 2.0 mode (8Ω, 21V, THD+N=1%)
- 45W in mono mode (4Ω, 21V, THD+N=1%)
- Excellent audio performance
- THD+N ≤ 0.03% at 1W, 1kHz, PVDD = 12V
- SNR ≥ 107dB (A-weighted), noise level <40µVRMS
- A low quiescent current with hybrid modulation
- 16.5mA at PVDD = 13.5V, 22µH + 0.68µF filter
- Flexible power supply configurations
- PVDD: 4.5V to 26.4V
- DVDD and I/O: 1.8V or 3.3V
- Flexible audio I/O
- I2S, LJ, RJ, TDM, 3-wire digital audio interface (no MCLK required)
- Supports 32, 44.1, 48, 88.2, 96kHz sample rates
- SDOUT for audio monitoring, sub-channel, or echo cancellation
- Pin-to-pin compatible with TAS5806MD
- Enhanced audio processing
- Multi-band advanced DRC and AGL
- 2×15 BQs, thermal foldback, DC blocking
- Input mixer, output crossbar, level meter
- 5 BQs + 1 band DRC +THD manager for the subwoofer channel
- Integrated self-protection
- Adjacent pin-to-pin short without device damage
- Over-current error (OCE)
- Over-temperature warning (OTW)
- Over-temperature error (OTE)
- Under or Over-Voltage Lock-out (UVLO/OVLO)
- Easy system integration
- I2C software control
- Reduced solution size
- Fewer passives are required compared to open-loop devices
- Inductor-less operation (ferrite bead) for most cases where PVDD ≤ 14V
Applications
- LCD TV, OLED TV
- Wireless speaker, smart speaker with voice assistant
- Soundbar, wired speaker
- Desktop PC, notebook PC
- AV receiver, smart home, and IoT appliance
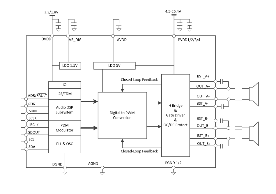
Functional Diagram
發佈日期: 2019-07-31
| 更新日期: 2023-10-27
