Texas Instruments TL4050/TL4050-Q1 Shunt Voltage References
Texas Instruments TL4050/TL4050-Q1 Precision Micropower Shunt Voltage References offer versatility and ease of use, ideal for a wide array of applications. The two-terminal fixed-output devices do not require external capacitors for operation and are stable with all capacitive loads. Furthermore, the reference provides a low dynamic impedance, low noise, and low-temperature coefficient to guarantee a stable output voltage over a wide range of operating currents and temperatures.The TI TL4050/TL4050-Q1 is available in three initial tolerances, ranging from 0.1% (max) for the A grade to 0.5% (max) for the C grade. Therefore, designers have a great deal of flexibility in choosing the best cost-to-performance ratio for applications. Packaged in the space-saving SOT-23-3 and SC-70 packages and requiring a minimum current of 45µA (typ), the TL4050/TL4050x-Q1 is also excellent for portable applications.
The TL4050xI is characterized for operation over an ambient temperature range of -40°C to +85°C, while the TL4050xQ/TL4050x-Q1 is characterized at -40°C to 125°C.
The TI TL4050-Q1 is AEC-Q100 qualified for automotive applications.
Features
- Qualified for automotive applications (TL4050-Q1)
- Fixed output voltages of 2.048V, 2.5V, 4.096V, 5V
- Tight output tolerances and low-temperature coefficient
- Max 0.1%, 50ppm/°C - A grade
- Max 0.2%, 50ppm/°C - B grade
- Max 0.5%, 50ppm/°C - C grade
- Low output noise of 41μVRMS typ
- Wide operating current range of 60μA typ to 15mA
- Stable with all capacitive loads; no output
- Capacitor required
- Available in extended temperature range of -40°C to 125°C
Applications
- Data-Acquisition Systems
- Power supplies and power-supply monitors
- Instrumentation and test equipment
- Process controls
- Precision audio
- Automotive electronics
- Energy management
- Battery-powered equipment
Datasheets
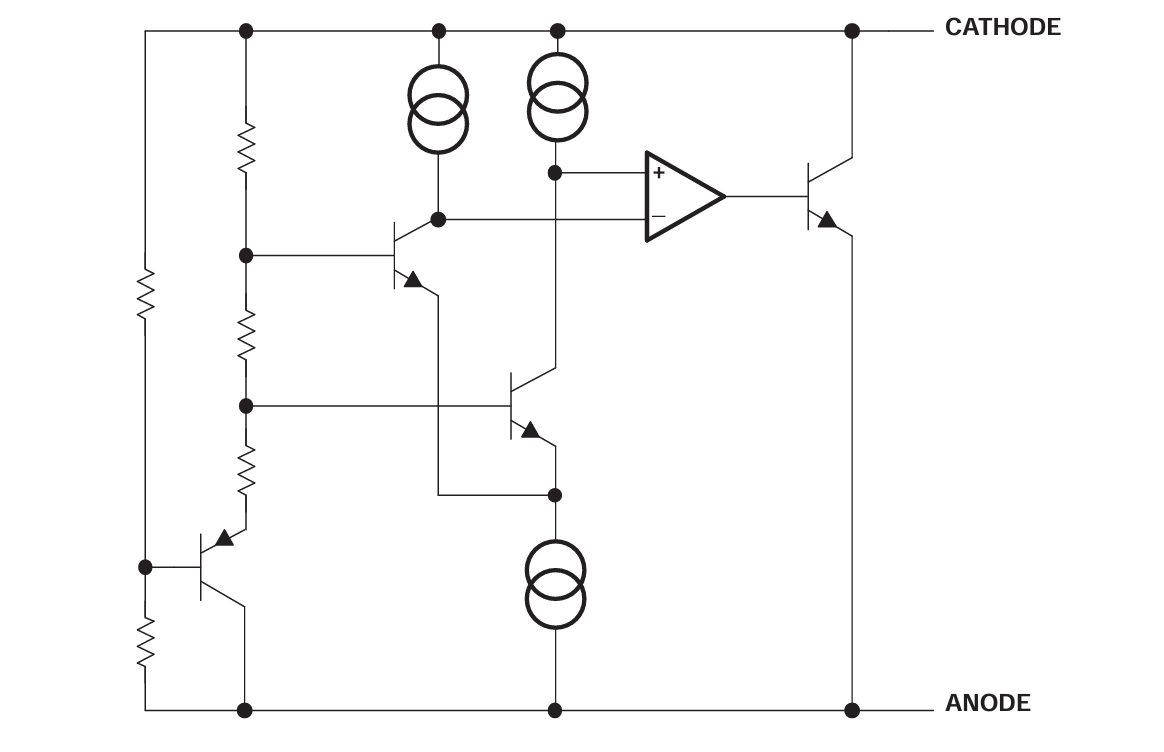
FUNCTIONAL BLOCK DIAGRAM
Pinout/Package Style
發佈日期: 2025-01-17
| 更新日期: 2025-01-26
