Texas Instruments TL4051 Micropower Shunt Voltage References
Texas Instruments TL4051 Micropower Shunt Voltage References are adaptable, easy-to-use devices ideal for a wide range of applications. The TL4051 is offered with a fixed output of 1.225V or an adjustable output where voltage is selected by an external resistor divider. The device does not need external capacitors and is stable with all capacitive loads. Furthermore, the references provide low dynamic impedance, noise, and temperature coefficients to guarantee a stable output voltage over a wide range of operating currents and temperatures.The TI TL4051 is available in three initial tolerances, from 0.1% (max) for the A grade to 0.5% (max) for the C grade. These features allow designers to choose the best cost-to-performance ratio for applications.
The TL4051 references are housed in the space-saving SOT-23-3 and SC-70 packages and require a minimum current of 45µA (typ). The TL4051xI is characterized for operation over an ambient temperature range of -40°C to 85°C, while the TL4051xQ is characterized for operation over an ambient temperature range of -40°C to 125°C.
Features
- 1.225V fixed and adjustable (1.225V to 10V) outputs
- 20µVRMS (typ) low output noise
- Tight output tolerances and low-temperature coefficient
- Max 0.1%, 50ppm/°C - A grade
- Max 0.2%, 50ppm/°C - B grade
- Max 0.5%, 50ppm/°C - C grade
- 60µA (typ) to 12mA wide operating current range
- Stable with all capacitive loads; no output capacitor required
- Available in
- -40°C to 85°C industrial temperature
- -40°C to 125°C extended temperature
Applications
- Data-Acquisition Systems
- Power supplies and power-supply monitors
- Instrumentation and test equipment
- Process control
- Precision audio
- Automotive electronics
- Energy management/metering
- Battery-powered equipment
Pinout/Package Style
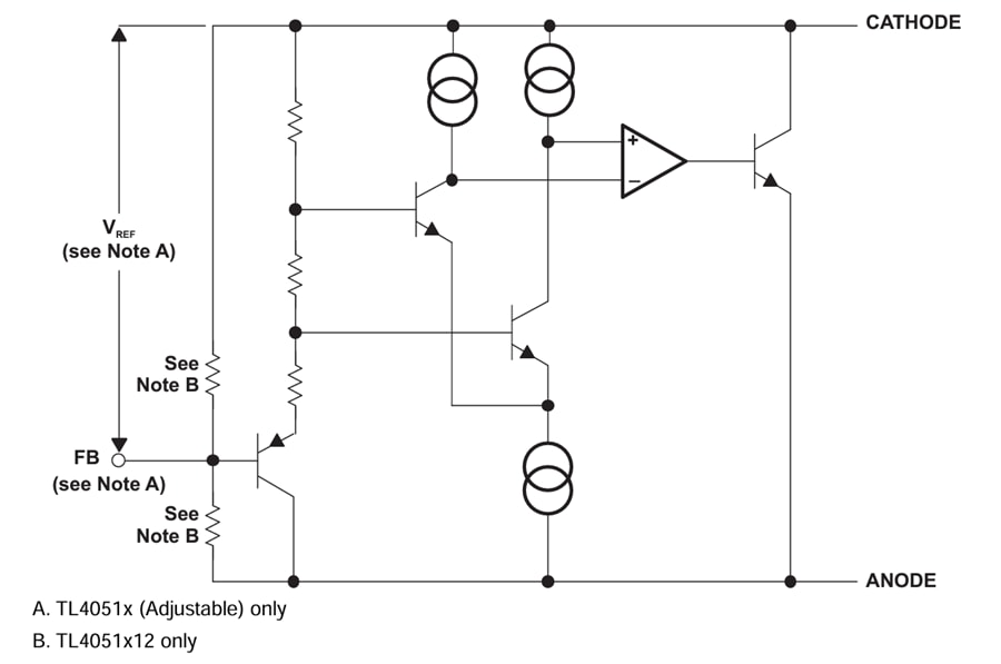
FUNCTIONAL BLOCK DIAGRAM
發佈日期: 2025-01-20
| 更新日期: 2025-01-26
