Texas Instruments TLC6A598 8-Bit Phase-Shift Driver

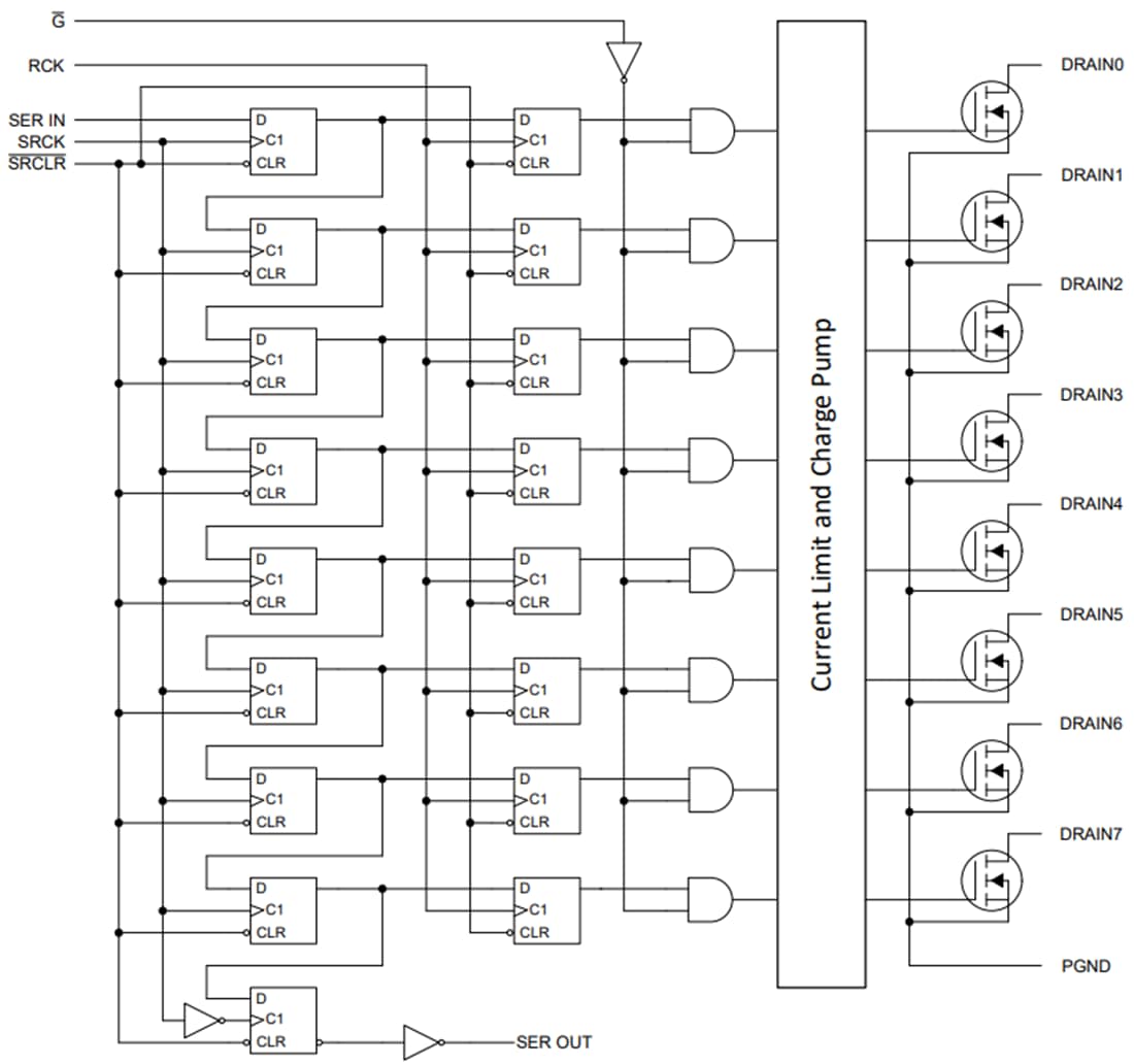
Texas Instruments TLC6A598 8-Bit Phase-Shift Driver is a monolithic, high-voltage, high-current power 8-bit shift register designed for use in systems that require relatively high load power such as LEDs. The device contains a built-in voltage clamp on the outputs for inductive transient protection. Power driver applications include relays, solenoids, and other high-current or high-voltage loads. Each open-drain DMOS transistor features an independent chopping current-limiting circuit to prevent damage in the case of a short circuit.

This device contains an 8-bit serial-in, parallel-out shift register that feeds an 8-bit D-type storage register. Outputs are low-side, open-drain DMOS transistors with output ratings of 50V and 350mA continuous sink-current capabilities. A built-in load open or load short diagnostic mechanism provides enhanced safety protection. The device offers a cycle redundancy check to verify register values in the shift registers. In read-back mode, the device provides 6 bits of the CRC remainder. The MCU can read back the CRC remainder and check if the remainder is correct to determine whether the communication loop between MCU and device is good.

The Texas Instruments TLC6A598 characterization is for operation over the operating ambient temperature range of −55°C to 125°C.

Features

  • High reliability and robustness for avionics application
  • –55ºC to +125ºC wide operating ambient temperature 
  • Wide VCC from 3V to 5.5V
  • Eight power DMOS transistor output channels
    • 350mA continuous current
    • 1.1A current limit capability
    • Output clamp voltage, 50V
    • Low Rds(on), 1Ω (typical)
    • Avalance energy, 90mJ (maximum)
  • Protection
    • Overcurrent protection
    • Open and short load detection
    • Serial-interface communication-error detection
    • Thermal shutdown protection
  • Enhanced cascading for multiple stages
  • All registers cleared with a single input
  • Cyclic redundancy check (CRC)
  • Low power consumption
  • 24-pin SOIC DW package

Applications

  • Flight control system
  • PLC control and function indicator
  • Instrumentation cluster
  • Relay or solenoids drivers
  • Appliance display panel
  • LED indication and illumination

Functional Block Diagram

Block Diagram - Texas Instruments TLC6A598 8-Bit Phase-Shift Driver
發佈日期: 2022-01-27 | 更新日期: 2022-03-11