特點
- 低電壓和VCC = 2V至7V的單一供電運作
- 共模電壓範圍包含接地
- 快速反應時間0.7 µs(典型值)
- 低供電電流80 µA(典型值)和150 µA(最大值)
- 完全指定為3V和5V供應電壓
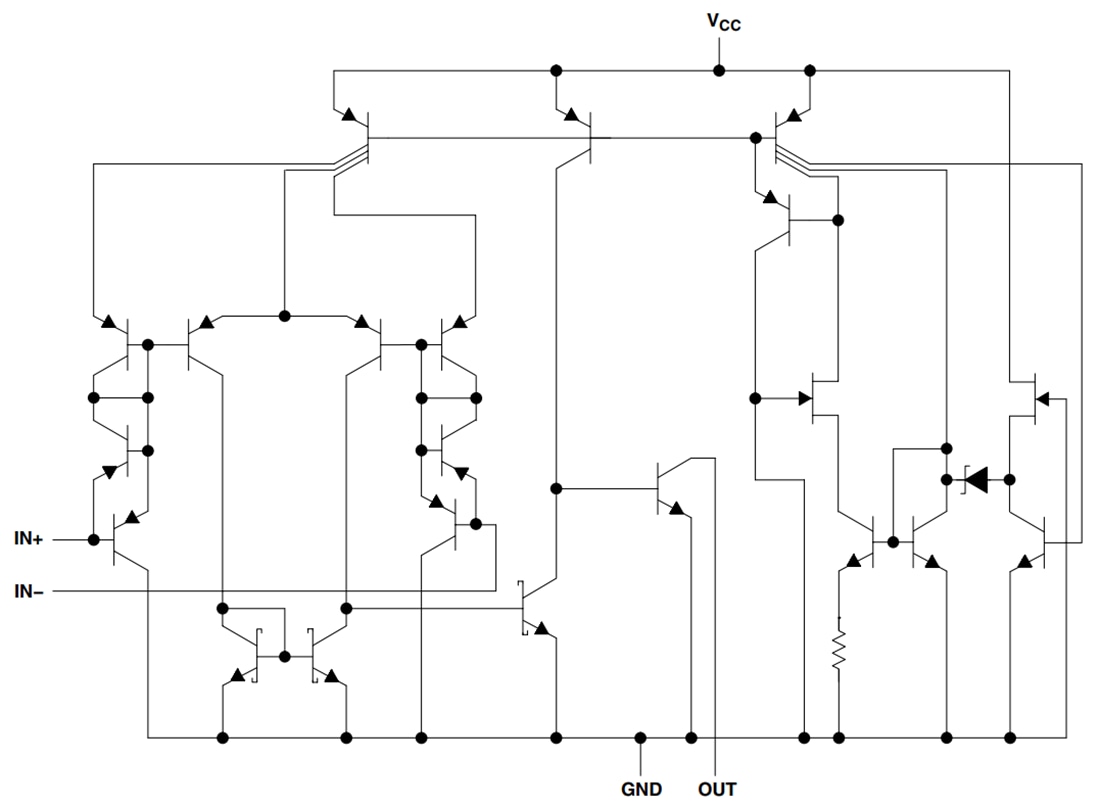
示意圖
發佈日期: 2024-12-04
| 更新日期: 2024-12-12
臺灣|
新臺幣
國際貿易術語:貨交承運人(裝運地點) 關稅、海關手續費和貨物服務稅在交貨時收取。 大多數訂單滿NT$1,400 (TWD)即可免運費。 僅接受信用卡支付 |
|
美元
國際貿易術語:貨交承運人(裝運地點) 交貨時客戶負責關稅、海關規費和增值稅。 大多數訂單滿$50 (USD)即可免運費。 所有支付選項均供選擇 |