Texas Instruments TMDS261B Two-Port HDMI Switch
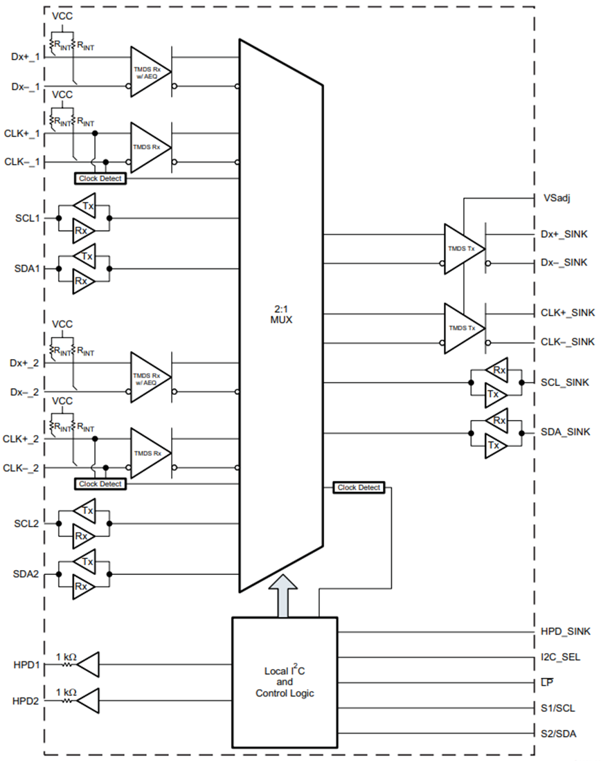
Texas Instruments TMDS261B two-port HDMI or DVI switch for High-Definition Digital TV allows up to two DVI or HDMI ports to be switched to a single display terminal. Four TMDS channels, one hot-plug detector, and a digital display control interface are supported on each port. Each TMDS channel supports signaling rates up to 3 Gbps to allow 1080p resolution in 16-bit color depth. The TI TMDS261B two-port HDMI switch provides an adaptive equalizer for different ranges of cable lengths. The equalizer automatically compensates for ISI loss of an HDMI / DVI cable for up to 20 dB at 3 Gbps. The Texas Instruments TMDS261B is not intended for source-side applications such as external switch boxes.Features
- 2:1 Sink-side switch Supporting DVI Above 1920 × 1200 and HDM I HDTV Resolutions up to 1080p With 16-Bit Color Depth
- Designed for Signaling Rates up to 3Gbps
- Supports HDMI 1.3a Specification
- Adaptive Equalization on inputs to support up to 20m HDMI Cable at 2.25Gbps for 1080p 12-Bit Color Depth
- TMDS Input Clock-Detect Circuit
- DDC Repeater Function
- Local I2C or GPIO Configurable
- Enhanced ESD (HBM - 10kV on All Input TMDS, DDC I2C, HPD Pins)
- 3.3 Volt Power Supply
- 0°C to 70°C Temperature Range
- 64-Pin TQFP Package: Pin-Compatible With TMDS251
- Robust TMDS Receive Stage That Can Work With Non-Compliant Input
- Common-Mode HDMI Signal
Applications
- High-Definition Digital TV
- LCD
- Plasma
- DLP
Functional Block Diagram
發佈日期: 2010-01-18
| 更新日期: 2022-03-11
