特點
- 整合式單通道負載開關
- 輸入電壓範圍:0.6V至VBIAS
- VBIAS電壓範圍:2.5V至5.7V
- 導通電阻 (RON)
- RON = 16mΩ(典型值),在VIN = 0.6V 至5.7V、VBIAS = 5.7V下
- 6A最高連續切換電流
- 低靜態電流
- 37µA(典型值),在VIN = VBIAS = 5V下
- 低控制輸入閾值,支援使用1.2V、1.8V、2.5V和3.3V邏輯裝置
- 可組態上升時間
- 過熱關機
- 快速輸出放電 (QOD)(可選購)
- SON 8腳位封裝,含散熱墊
- 通過JESD 22的ESD效能測試
- 2000V HBM和1000V CDM
應用
- Ultrabook™
- 筆記型電腦和小筆電
- 平板電腦
- 消費性電子產品
- 機上盒和住宅用閘道器
- 電信系統
- 固態硬碟 (SSD)
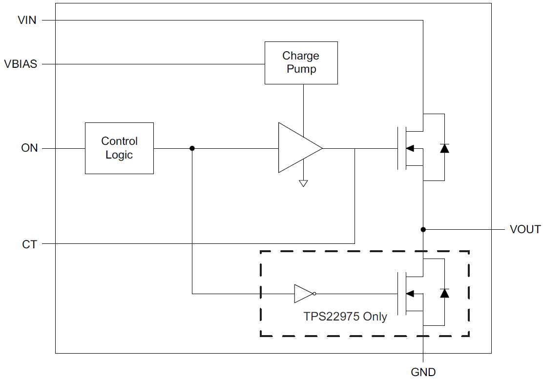
功能方塊圖
發佈日期: 2017-03-02
| 更新日期: 2022-04-05

