Texas Instruments TPS25846-Q1 Synchronous Step-Down Converter

Texas Instruments TPS25846-Q1 Synchronous Step-Down Converter is a USB Type-A BC1.2 charging solution with a synchronous DC-DC converter. With cable droop compensation, the VBUS voltage remains constant regardless of load current, ensuring connected portable devices are charged at optimal current and voltage even under heavy loads. The TPS25846-Q1 includes high-bandwidth analog switches for DP and DM pass-through. The device also integrates short-to-battery protection on VBUS, DM_IN, and DP_IN pins. These pins can withstand voltage up to 18V.

The synchronous buck regulator operates with current-mode control and is internally compensated to simplify the design. A resistor on the RT pin sets the switching frequency between 300kHz and 2.2MHz. These devices operate below 400kHz, resulting in better system efficiency. Operation above 2.1MHz avoids the AM radio bands and allows for the use of a smaller inductor. The Texas Instruments TPS25846-Q1 integrates electrical signatures necessary for legacy devices that utilize USB data lines to determine charging configuration. Protection features include cycle-by-cycle current limit, hiccup short-circuit protection, undervoltage lockout, VBUS overvoltage and overcurrent, the data line (Dx) short to VBUS, and die overtemperature protection.

Features

  • AEC-Q100 qualified for automotive applications
    • –40°C to +125°C, TA temperature grade 1
    • HBM ESD classification level H2
    • CDM ESD classification level C5
  • Synchronous buck DC/DC regulator
    • 4.5V to 36V input voltage range
    • 3.5A output current
    • 5.1V output voltage with ±1% accuracy
    • Current mode control
    • 300kHz to 2.2MHz adjustable frequency
    • Frequency synchronization to an external clock
    • FPWM with spread-spectrum dithering
    • Internal compensation for ease of use
  • Compliant to USB-IF standards
    • CDP/SDP mode per USB BC1.2
  • Optimized for USB power and communication
    • User-programmable USB current limit
    • Cable droop compensation up to 1.5V
    • High bandwidth data switches on DP and DM
    • Client mode for system update
  • Integrated protection
    • VBUS short-to-VBAT protection
    • DP_IN and DM_IN short-to-VBAT
    • DP_IN and DM_IN short-to-VBUS
    • DP_IN, DM_IN IEC 61000-4-2 rated
      • ±8kV contact and ±15kV air discharge
  • Fault flag reports
  • 32-pin QFN package with wettable flank

Applications

  • Automotive infotainment
  • USB media hubs
  • USB charger ports

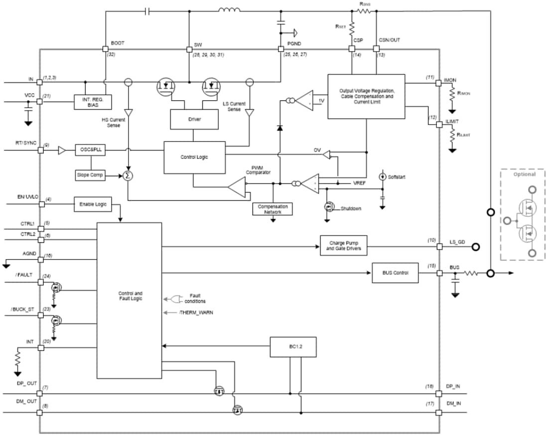
Functional Block Diagram

Block Diagram - Texas Instruments TPS25846-Q1 Synchronous Step-Down Converter
發佈日期: 2020-12-10 | 更新日期: 2025-02-27