Texas Instruments TPS274C65CPEVM Evaluation Module
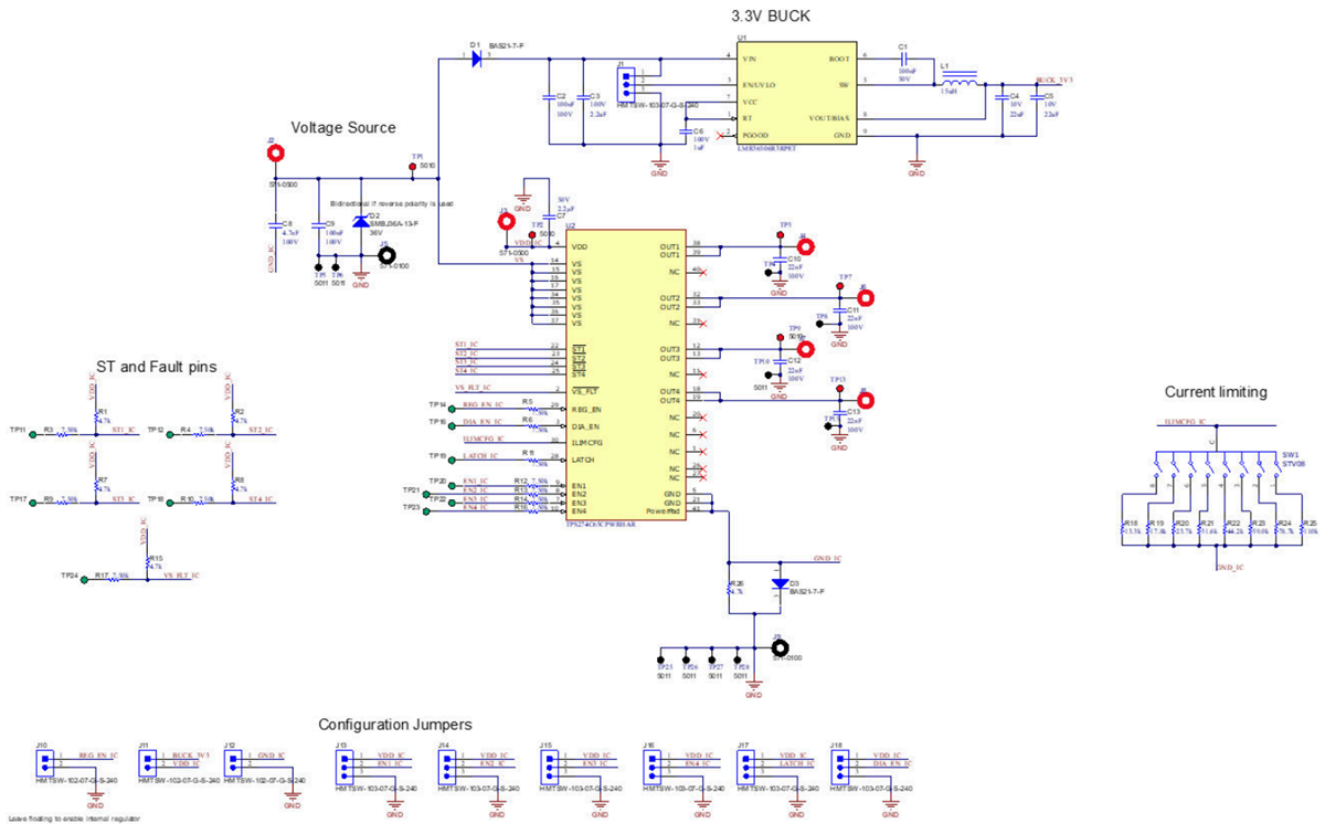
Texas Instruments TPS274C65CPEVM Evaluation Module is designed to evaluate the complete performance and functionality of the TPS274C65CP industrial high-side switch. This evaluation module allows users to isolate the quad channel TPS27465 smart high-side switch before designing it into a larger power system. The TPS274C65CPEVM evaluation module features an onboard 3.3V buck-converter to allow for external VDD and lower device Iq. This evaluation board provides a seamless way to connect a set of power supplies to the inputs of the TPS274C65 switch. The TPS274C65CPEVM board is designed to connect loads to the output channels and switch the device ON/OFF using the chip's control pins. This board provides an easy way to assert and dessert logic signals by the use of a set of external hardware jumpers. The TPS274C65CP evaluation module is used in industrial Programmable Logic Controller (PLC) systems, digital output modules, IOLink ports, and sensor supplies.Features
- Supports CP version of TPS274C65 switch
- On-board 3.3V buck-converter allowing for external VDD and lower device Iq
- 12V to 36V operating voltage range
- Programmable current limit with external resistor
- -40°C to 125°C operating free-air temperature
Applications
- Industrial Programmable Logic Controller (PLC) systems
- Digital output modules
- IOLink ports
- Sensor supplies
Schematic
發佈日期: 2024-01-24
| 更新日期: 2024-01-29
