Texas Instruments TPS536C9T Step-Down Multiphase D-CAP+ Controller

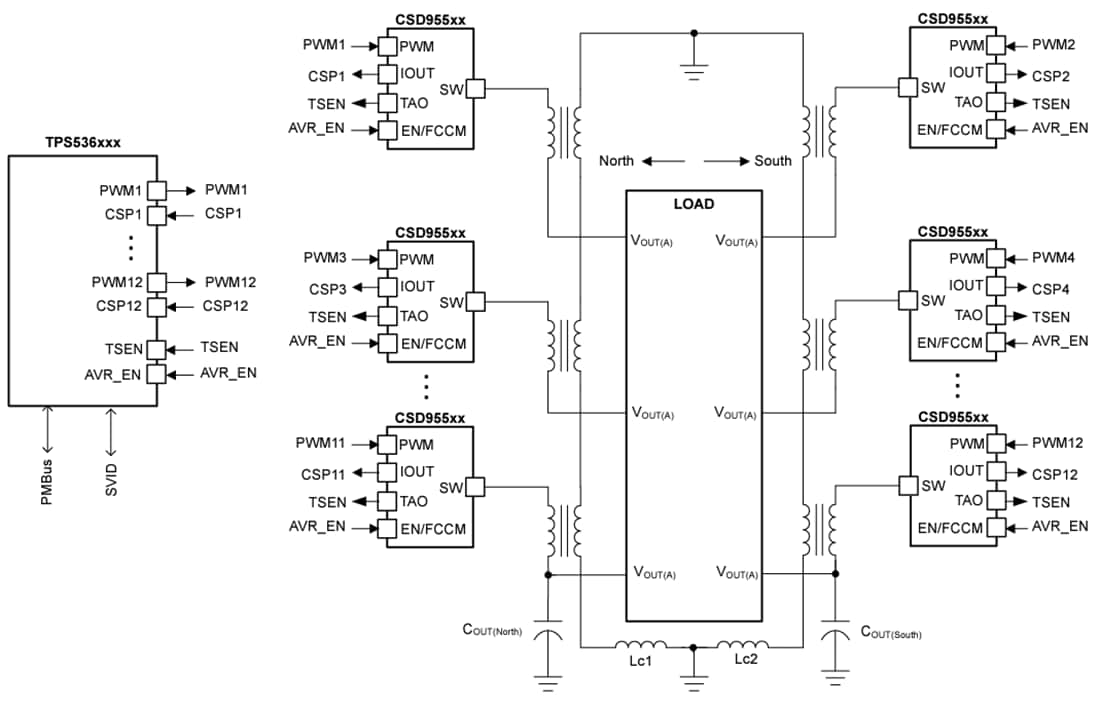
Texas Instrument TPS536C9T Step-Down Digital Multiphase D-CAP+ Controller is a VR14-compliant step-down controller with trans-inductor voltage regulator (TLVR) topology support. The device includes a built-in non-volatile memory (NVM), two channels, and a PMBus™ interface fully compatible with TI smart power stages. The advanced control features like the D-CAP+ architecture provide low output capacitance, fast transient response, and good dynamic current sharing. Adjustable control of adaptive voltage positioning and output voltage slew rate are natively supported. In addition, the device supports the PMBus communication interface for reporting the telemetry of current, voltage, power, temperature, and fault conditions to the host system. To minimize the external component count, all programmable parameters can be configured through the PMBus interface and stored in NVM as the new default values.

Features

  • 4.5V to 17V input voltage range
  • 0.25V to 5.5V output voltage range
  • Dual output supporting N+M phase configurations (N+M ≤12, M ≤6)
  • Native trans-inductor voltage regulator (TLVR) topology support, with LC open and short protection
  • Fully compatible with TI smart power stages
  • Supports voltage- and current-source Imon power stages with an internal 1kΩ resistor
  • Support for traditional (legacy mode) and limp mode power stage fault identification
  • Supports a dual-side power delivery with 12"+ trace length
  • Intel VR14 SVID compliant with PSYS support
  • Backward compatible with VR13.HC/VR13.0 SVID
  • Automatic NVM fault status logging
  • Enhanced D-CAP+ control to provide superior transient performance with excellent dynamic current sharing
  • Dynamic phase shedding with programmable thresholds for optimizing efficiency at light and heavy loads
  • Configurable with non-volatile memory (NVM) for low external component count
  • Individual per-phase IMON calibration, with multi-slope gain calibration to increase system accuracy
  • Diode braking with programmable timeout for reduced transient overshoot
  • Programmable per-phase valley current limit (OCL)
  • PMBus™ v1.3.1 system interface for telemetry of voltage, current, power, temperature, and fault conditions
  • Programmable loop compensation through PMBus
  • 6.00mm × 6.00mm, 48-pin, QFN package

Applications

  • Data center and enterprise computing rack server
  • Hardware accelerator
  • Network interface card (NIC)
  • ASIC and high-performance client

Simplified Application (Interleaved TLVR)

Application Circuit Diagram - Texas Instruments TPS536C9T Step-Down Multiphase D-CAP+ Controller
發佈日期: 2024-01-22 | 更新日期: 2024-01-31