Texas Instruments TPS549D22 SWIFT™ Synchronous Step-Down Converter
Texas Instruments TPS549D22 SWIFT™ Synchronous Step-Down Converter is a compact single buck converter with adaptive on-time, D-CAP3 mode control. This converter is designed for high accuracy, efficiency, fast transient response, ease-of-use, low external component count, and space-conscious power systems. The TPS549D22 features full differential sense, TI integrated FETs with a high-side on-resistance of 2.9mΩ and a low-side on-resistance of 1.2mΩ. The device also features an accurate 0.5%, 0.9V reference with an ambient temperature range between –40°C and 125°C. Competitive features include very low external component count, accurate load and line regulation, auto-skip or FCCM mode operation, and internal soft-start control.Features
- 1.5V to 16V input voltage range (PVIN)
- 4.5V to 22V input bias voltage (VDD) range
- 0.6V to 5.5V output voltage range:
- Integrated, 2.9mΩ and 1.2mΩ power MOSFETs with 40A continuous output current
- Voltage reference 0.6V to 1.2V in 50mV steps using VSEL pin
- ±0.5%, 0.9-VREF tolerance range: –40°C to +125°C junction temperature
- A true differential remote sense amplifier
- D-CAP3TM control loop
- Adaptive on-time control with eight PMBusTM frequency: 315kHz, 425kHz, 550kHz, 650kHz, 825kHz, 900kHz, 1.025MHz, 1.125MHz
- Temperature-compensated and programmable current limit with RILIM and OC clamp
- Choice of hiccup or latch-off OVP or UVP
- VDD UVLO external adjustment by precision EN
- Pre-bias start-up support
- Eco-modeTM and FCCM selectable
- Full suite of fault protection and PGOOD
- Standard VOUT_COMMAND and VOUT_MARGIN (HIGH and LOW)
- Pin-strapping and on-the-fly programming
- Fault reporting and warning
- NVM backup for selected commands
- 1MHz PMBus with PEC and SMB_ALRT#
Applications
- Enterprise storage, SSD, NAS
- Wireless and wired communication infrastructure
- Industrial PCs, automation, ATE, PLC, video surveillance
- Enterprise server, switches, routers
- ASIC, SoC, FPGA, DSP core, and I/O rails
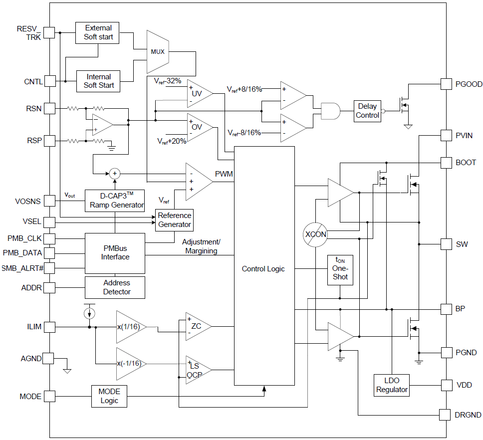
Functional Block Diagram
發佈日期: 2017-01-24
| 更新日期: 2022-03-18
