TPS6282x可在極低負載狀況下自動進入省電模式以保持高效率,進而延長系統電池的運作時間。裝置具備電力良好訊號和內部軟啟動電路,能在100%模式下作業。裝置亦整合HICCUP短路保護和過熱關機功能,以提供故障保護。裝置提供6腳位1.5x1.5mm或8腳位2.0x1.5mm的QFN封裝,為功率密度最高的解決方案。
特點
- DCS-Control™拓撲
- 最高4A輸出電流
- 1%反饋電壓準確度(完整溫度範圍)
- 最高97%效率
- 26mΩ和25mΩ內部功率MOSFET
- 2.4V至5.5V輸入電壓範圍
- 4μA運作靜態電流
- 2.2 MHz切換頻率
- 可調整輸出電壓:0.6V至4V
- 啟用 (EN) 和電力良好 (PG)
- 內建軟啟動電路
- 流暢的省電模式轉換
- 100%工作週期模式
- 主動輸出放電
- 過熱保護
- HICCUP短路保護
- 欠壓鎖定(TPS62821、TPS62822、TPS62823)
- 逐週期電流限制(TPS62821、TPS62822、TPS62823)
應用
- 可攜式/電池供電裝置的POL供電
- 工廠與大樓自動化
- 行動運算、網路卡
- 資料終端機、銷售點
- 伺服器、投影機、印表機
- 固態硬碟
- 影像監控
- 工業電腦
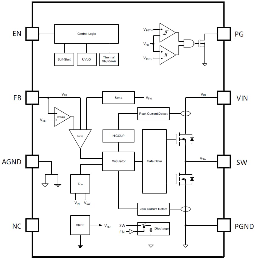
功能方塊圖
發佈日期: 2018-06-05
| 更新日期: 2023-02-10

