Texas Instruments TPS62843 Ultra-Low IQ Step-Down Converter
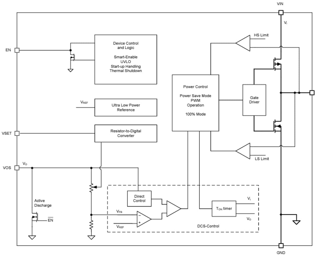
Texas Instruments TPS62843 Ultra-Low IQ Step-Down Converter is a high-efficiency step-down converter with ultra-low operating quiescent current of typically 275nA. The device features a 4nA shutdown (typical) current when disabled. The device uses DCS-Control with a low and RF-friendly output voltage ripple to power radios.The Texas Instruments TPS62843 operates with a typical switching frequency of 1.5MHz and extends a high efficiency at light-load down to 100µA load current and below. Eighteen pre-defined output voltages can be selected by connecting a resistor to the VSET pin, making the family usable across various applications with a minimum set of passive components.
Features
- 1.8V to 5.5V input voltage range
- 0.4V to 3.6V output voltage range
- 275nA typical quiescent current
- 600mA output current
- 1% output voltage accuracy
- 4nA typical shutdown current
- Output discharge
- VSET pin-selectable output voltage through a single resistor
- TPS628436: 0.4V to 0.8V
- TPS628437: 0.8V to 1.8V
- TPS628438: 1.8V to 3.6V
- Optimized for small passive components
- 1µH inductor
- Down to 4.7µF COUT
- Low output voltage ripple in power save mode
- RF-friendly and fast transient DCS-Control
- Automatic transition to no ripple 100% mode
- 0603-inductor and 0402-capacitor size supported
- Tiny 6-pin, 0.35mm pitch WCSP package with 0.84mm2 size
- Pin-to-pin compatible to the TPS6280x family (1A)
Applications
- Wearable electronics
- Headsets, headphones, and earbuds
- Mobile phones
- Medical sensor patches
- Hearing aid
Functional Block Diagram
發佈日期: 2023-08-22
| 更新日期: 2024-04-24
