Texas Instruments TPS723x Low-Dropout Linear Regulators

Texas Instruments TPS723x Low-Dropout Linear Regulators offer an ideal combination of features to support low-noise applications. The TPS723x LDOs can operate with input voltages from -10V to -2.7V and support outputs from -10V to -1.2V. The LDOs are stable with small, low-cost ceramic capacitors and include enable (EN) and noise reduction (NR) functions. The device offers protections such as thermal short-circuit and over-current, provided by internal detection and shutdown logic. A high PSRR (65dB at 1kHz) and low noise (60µVRMS) make the Texas Instruments TPS723x ideal for low-noise applications.

Features

  • 60µVRMS typical ultralow noise 
  • 65dB typical at 1kHz high PSRR 
  • 280mV typical at 200mA, 2.5V low dropout voltage 
  • Available in –2.5V and adjustable (–1.2V to –10V) versions
  • Stable with a 2.2µF ceramic output capacitor
  • Less than 2µA typical quiescent current in shutdown mode
  • 2% overall accuracy (line, load, temperature)
  • Thermal and over-current protection
  • Packages
    • SOT23-5 (DBV)
    • SOT23-5 (DDC)
    • WSON-6 (DRV)
  • -40°C to 125°C operating junction temperature range 

Applications

  • Optical modules
  • Semiconductor manufacturing
  • Medical accessories
  • Oscilloscopes
  • Active antenna system mMIMO (AAS)

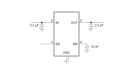
Functional Diagram

Block Diagram - Texas Instruments TPS723x Low-Dropout Linear Regulators
發佈日期: 2020-01-24 | 更新日期: 2024-05-14