Texas Instruments TPSI3052/TPSI3052-Q1 Isolated Switch Driver
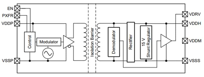
Texas Instruments TPSI3052/TPSI3052-Q1 Isolated Switch Drivers are fully integrated when combined with an external power switch, forming a completely isolated Solid State Relay (SSR). With a nominal gate drive voltage of 15V with 1.5/3.0A peak source and sink current, a large variety of external power switches can be chosen to meet a wide range of applications. The TPSI3052/TPSI3052-Q1 generates its own secondary bias supply from the power received from its primary side, so no isolated secondary supply bias is required. Additionally, the TPSI3052/TPSI3052-Q1 can optionally supply power to external supporting circuitry for various application needs. The TPSI3052-Q1 devices are AEC-Q100 qualified for automotive applications.Features
- No isolated secondary supply required
- Drives external power transistors or SCRs
- 5kVRMS reinforced isolation
- 15V gate drive with 1.5A/3A peak source and sink current
- Up to 50mW supply for external auxiliary circuitry
- Supports AC or DC switching
- Supports two-wire or three-wire modes
- Functional safety-capable:
- Documentation available to aid functional safety system design
- Seven levels of power transfer and resistor selectable
- AEC-Q100 qualified for automotive applications:
- -40 to 125°C, TA temperature grade 1
- Safety-related certifications
- Planned: 7071VPK reinforced isolation per DIN EN IEC 60747-17 (VDE 0884-17)
- Planned: 5kVRMS isolation for 1 minute per UL 1577
Applications
- Solid State Relays (SSR)
- Battery management system
- On-board charger
- Hybrid, electric, and powertrain systems
- Building automation
- Factory automation and control
Datasheets
Block Diagram
Application Diagram
發佈日期: 2023-02-20
| 更新日期: 2025-06-02
