Texas Instruments TPSM8287Axx Step-Down DC-DC Power Modules
Texas Instruments TPSM8287Axx Step-Down DC-DC Power Modules come with differential remote sensing and I2C interface. The power modules integrate a synchronous step-down converter, an inductor and input capacitors to simplify design, reduce external components, and save PCB area. The low-profile and compact design is designed for assembly by standard surface mount equipment. The TPSM8287Axx family implements an enhanced control scheme that supports fast transients.The Texas Instruments TPSM8287Axx can operate in fixed-frequency or power-save mode. The remote sensing feature optimizes voltage regulation at the point-of-load, and the device achieves ±0.8% DC voltage accuracy over the entire temperature range. The devices can operate in stacked, paralleled modes to deliver higher output currents or to spread the power dissipation across multiple devices. The I2C-compatible interface offers several control, monitoring, and warning features. The start-up voltage is selectable through the VSETx pins to allow a power-up without an active I2C communication.
Features
- ±0.8% output voltage accuracy
- Differential remote sensing
- Parallelable for multi-phase operation
- Start-up output voltage selectable in 50mV steps from 0.40V to 3.35V through VSETx pins and I2C adjustable in 1.25mV steps
- Five selectable I2C addresses through VSETx pins
- Optimized for low EMI requirements
- No bond wire package
- Internal input capacitors
- Simplified layout through a parallel input path
- Optional synchronization to an external clock or spread-spectrum operation
- Adjustable external compensation for wide output capacitor range and optimized transient response
- Power-save mode or forced-PWM operation
- Precise enable input threshold
- Power-good output with window comparator
- Active output discharge
- Excellent thermal performance
- -40°C to +125°C operating temperature range
- 4.5mm×6.8mm QFN package with 0.5mm pitch
- 77mm2 design size
Applications
- FPGA, ASIC, and digital core supply
- Optical networks
- Storage
- DDR memory supply
- Test and measurement equipment
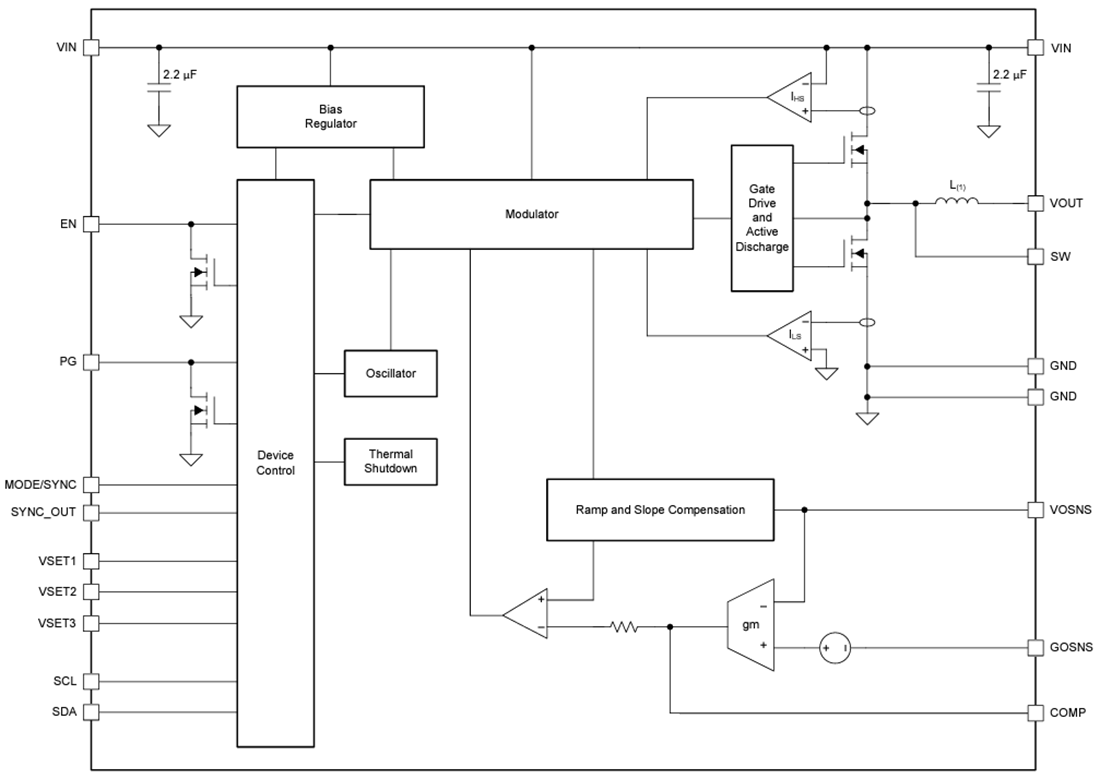
Functional Block Diagram
發佈日期: 2024-03-11
| 更新日期: 2024-10-17
