Texas Instruments TRF3705 300MHz to 4GHz Quadrature Modulator
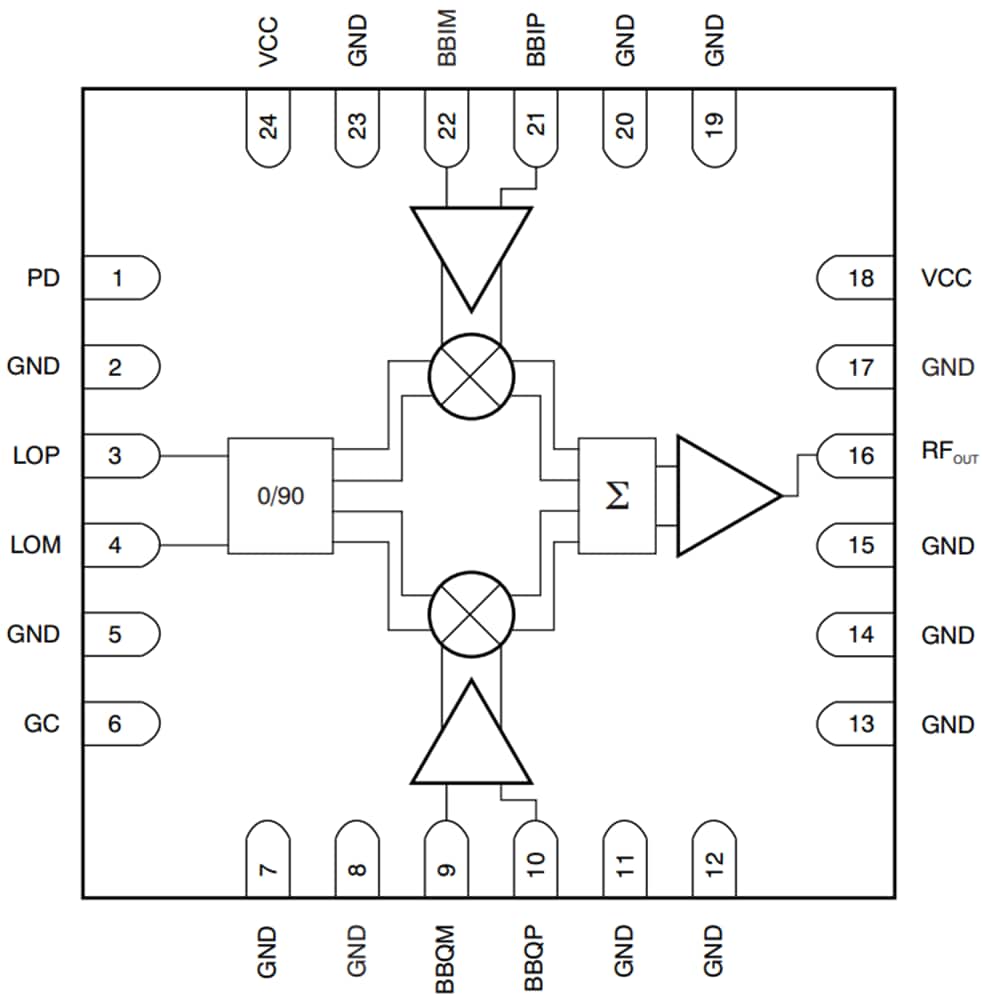
Texas Instruments TRF3705 300MHz to 4GHz Low-Noise Direct Quadrature Modulator is capable of converting complex modulated signals from baseband or IF directly up to RF. TRF3705 is a high-performance, superior-linearity device that is ideal to up-convert to RF frequencies of 300MHz. The modulator is implemented as a double-balanced mixer. The RF output block consists of a differential-to-single-ended converter that is capable of driving a single-ended 50Ω load. The TRF3705 requires a 0.25V common-mode voltage for optimum linearity performance. Texas instruments TRF3705 Quadrature Modulator also provides a fast power-down pin that can be used to reduce power dissipation in TDD applications.Features
- High Linearity:
- 30dBm at 1850MHz output IP3
- -160dBm/Hz Low Output Noise Floor
- 78dBc Single-Carrier WCDMA ACPR at -10dBm Channel Power
- -40dBm Unadjusted Carrier Suppression
- -45dBc Unadjusted Sideband Suppression
- 3.3V Single Supply Operation
- 1-bit Gain Step Control
- Fast Power-Up/Power-Down
Applications
- Cellular Base Station Transmitter
- CDMA (IS95, UMTS, CDMA2000, TD-SCDMA)
- LTE (Long Term Evolution)
- TDMA (GSM, EDGE/UWC-136)
- Multicarrier GSM (MC-GSM)
- Wireless MAN Wideband Transceivers
Functional Block Diagram
發佈日期: 2012-03-09
| 更新日期: 2024-01-15
