Texas Instruments UCC14131-Q1 Isolated DC/DC Modules
Texas Instruments UCC14131-Q1 Isolated DC/DC Modules are designed to provide power to GaN, IGBT, SiC, or Si gate drivers. The UCC14131-Q1 integrates a transformer and DC/DC controller with a proprietary architecture to accomplish high efficiency with very low emissions.The TI UCC14131-Q1 can deliver an isolated 12V output from a 12V regulated input for driving GaN and Si MOSFETs and an isolated 15V or 18V output from a 15V regulated input to bias the driver circuit for SiC MOSFET or IGBTs. The UCC14131-Q1 modules supply high accuracy with better channel enhancement for higher system efficiency without over-stressing the power device gate.
Features
- Fully integrated high-density isolated DC/DC module with isolation transformer
- Isolated DC/DC for driving: IGBTs, GaN, SiC, and Si MOSFETs
- Input voltage range of 10V to 18V with 32V absolute maximum
- 1.5W output power at TA ≤105°C
- 1.0W output power for 10V <VVIN <18V at TA = 105°C
- Adjustable single or dual output voltages (using resistors) with <±1.3% regulation accuracy over the entire operating range
- Low electromagnetic emission with spread spectrum modulation and integrated transformer design
- Enable, Power Good, UVLO, OVLO, soft-start, short-circuit, power-limit, under-voltage, overvoltage, and over-temperature protection
- CMTI >150kV/µs
- AEC-Q100 qualified for automotive applications
- Temperature grade 1 of -40°C ≤ TJ ≤150°C
- Temperature grade 1 of -40 °C ≤ TA ≤125°C
- Functional Safety-Capable - Documentation available to aid functional safety system design
- Planned safety-related certifications:
- 7071VPK reinforce isolation per DIN EN IEC 60747-17 (VDE 0884-17)
- 5000VRMS isolation for 1 minute per UL1577
- Reinforced insulation per CQC GB4943.1
- 36-pin, Wide SSOP package
Applications
- Hybrid, electric, and power train systems (EV/HEV)
- Inverter and motor control
- On-board (OBC) and wireless charger
- Automotive DC/DC converter
- Motor drives
- Industrial transport
- Grid infrastructure
- EV charging station power module
- DC charging (pile) station
- String inverter
- Merchant Server PSU
Device Comparison Table
Simplified Application
Typical Power-up Sequence
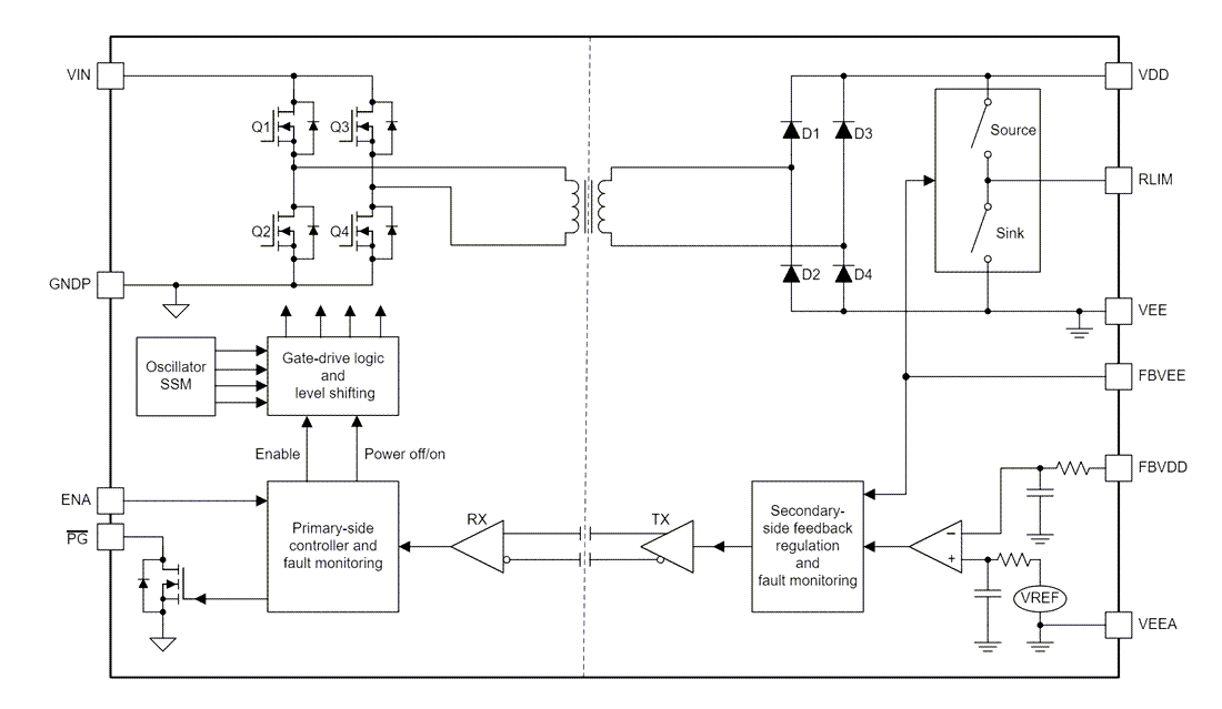
Functional Block Diagram
發佈日期: 2024-03-11
| 更新日期: 2025-05-22
