TI TAS5717 數位音頻功率放大器

Texas Instruments TAS5717 10W 數位音頻功率放大器專門用於驅動立體聲橋接式揚聲器。 其採用一個串列數據輸入端,能處理最多兩個分離式音頻通道,並完美地整合到大部份數位音頻處理器和 MPEG 解碼器。 TI TAS5717 數位音頻功率放大器接受寬範圍的輸入數據速率及數據傳輸率。 其設有完全可編程的數據路徑,能將這些通道導引到內部揚聲器驅動器。 TI TAS5717 是一款只提供從屬模式的裝置,所有時脈都從外部來源接收。 視乎輸入取樣率,TAS5717 可配合 PWM 載波以界乎 384-kHz 至 352-KHz 的切換頻率操作。 超取樣操作配合四階雜訊塑型器,能提供白雜訊基準,進而在 20Hz 至 20kHz 之內提供極佳動態範圍。

音頻輸入 / 輸出特點
  • 支援 2×10 W
  • 4.5 V 至 26 V 的廣闊 PVDD 範圍
  • 能實現高效 D 級操作,因而無需使用散熱器
  • 僅需要 3.3 V 及 PVDD
  • 一個串列音頻輸入 (雙音頻通道)
  • 透過針腳進行 I²C 位址選擇 (晶片選擇)
  • 支援 8-kHz 至 48-kHz 的取樣率 (LJ/RJ/I2S)
  • 外部耳機放大器關機訊號
  • 整合式無電容器耳機放大器
  • 立體聲耳機 (立體聲 2-V RMS 線路驅動器) 輸出
音頻 / PWM 處理
  • 由 24-dB 至靜音的獨立通道音量控制
  • 可編程的雙頻段動態範圍控制
  • 14 個可編程雙二階濾波器,用於揚聲器 EQ
  • 用於 DRC 濾波器的可編程系數
  • 直流阻隔濾波器
  • 支援 0.125-dB 精細音量控制
應用
  • 橋接式揚聲器
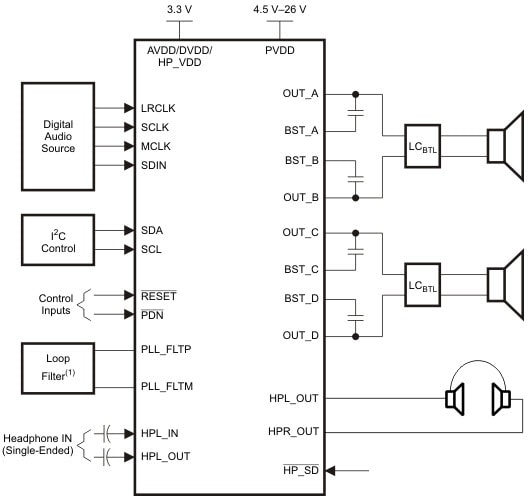
功能圖
  • Texas Instruments
  • Semiconductors|IC-Amplifier|IC-Audio|Integrated Circuits
發佈日期: 2011-02-22 | 更新日期: 2025-11-20