THAT Corporation 5263 2-Channel Digital Preamp Controller
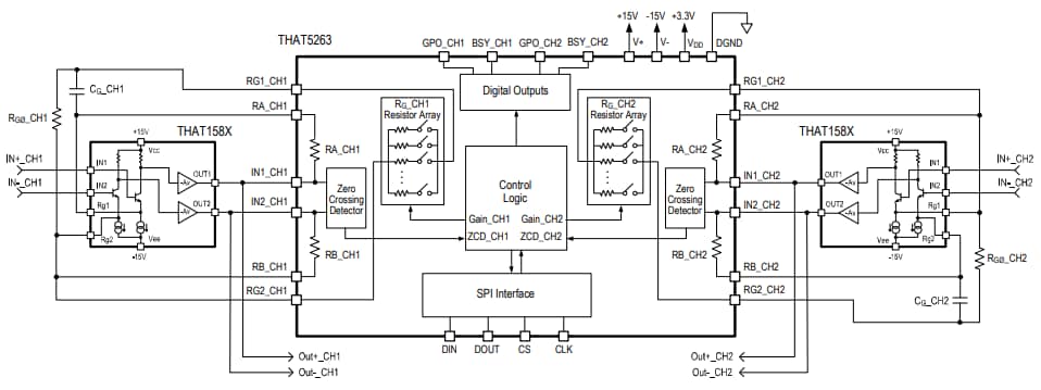
THAT 5263 2-Channel Digital Preamplifier Controllers are intended for use with low-noise, analog, differential audio preamplifiers such as the THAT 1580 and 1583. The 5263 controls gain from 0dB to 51dB in 3dB steps while preserving low noise and distortion. Operating from ±5V to ±17V analog supplies, it supports input signal levels as high as +29.6dBu without an input pad. Used with a THAT 1580 preamplifier IC, equivalent input noise (EIN) at 51dB gain is -128.3dBu (20Hz to 20kHz bandwidth, 150Ω source).Features
- 0dB to 51dB wide gain range in 3dB Steps
- ±5V to ±17V wide supply range
- +29.6dBu (±17V) wide output swing
- +29.6dBu (±17V) wide input swing
- Low Power of 48mW @± 15V supplies
- Low THD+N of 0.003% @ 24dB gain
- Zero-crossing detectors minimize switching noise
- Daisy chainable SPI interface
- Two general-purpose logic outputs
- Small 5mm x 5mm QFN24 package
Applications
- Digitally controlled microphone preamplifiers
- Digitally controlled instrumentation amplifiers
- Digitally controlled differential amplifiers
- Audio mixing consoles
- Computer audio interfaces
- Audio distribution systems
- Digital audio snakes
- Audio recorders
THAT5263 Simplified Schematic
發佈日期: 2015-11-13
| 更新日期: 2022-03-11
