TRACO Power TMPS15 15W AC/DC Power Supplies

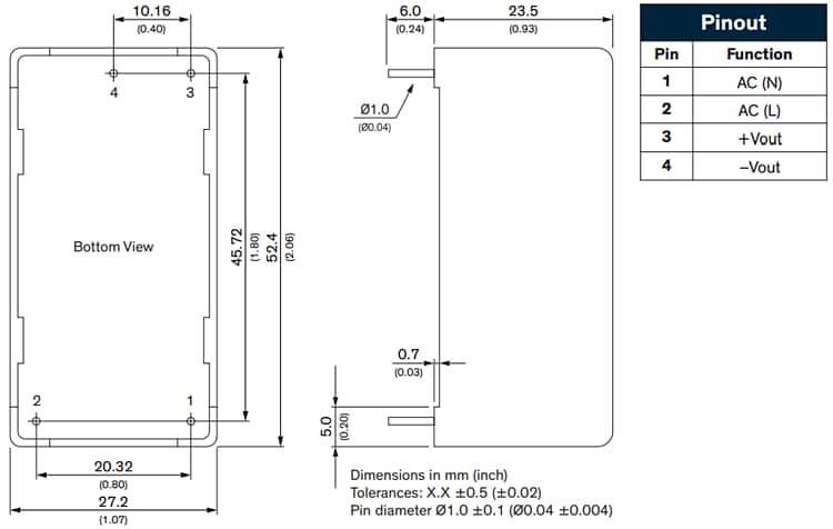
TRACO Power TMPS15 15W AC/DC Power Supplies with PCB mounting feature low no-load power consumption of <100mW, meeting the ErP directive for energy-efficient devices of the European Union. These fully encapsulated AC/DC power supplies are prepared for protection Class II applications and come with an integrated EN 55032 Class B EMI filter. Other features include reinforced isolation, high power density, and 130% peak power for up to 30s. The units are certified according to EN 60335 (household) and UL 62368-1 (IT and industrial). The TMPS15 series is available in a 1.07” x 2.06” x 0.93” package. TRACO Power TMPS15 15W AC/DC Power Supplies are ideal for household, building automation, Internet of Things (IoT), and industrial applications.

Features

  • Fully encapsulated 1.07” x 2.06” x 0.93” package
  • ErP ready (<100mW no-load power)
  • EN 60335 certified (household)
  • UL 62368-1 certified (IT and industrial)
  • Protection Class II prepared
  • Integrated class B EMI filter
  • 130% peak power (for up to 30s)
  • 15W maximum output power
  • 4000VAC I/O isolation (reinforced)
  • -25°C to +70°C operating temperature range
  • 3-year product warranty

Applications

  • Household
  • Building automation
  • IoT
  • Industrial

Videos

Dimensions

TRACO Power TMPS15 15W AC/DC Power Supplies
發佈日期: 2021-12-09 | 更新日期: 2025-12-11