u-blox RCB-F9T Timing Boards
u-blox RCB-F9T Timing Boards are designed to provide industry-standard connector access to the ZED-F9T timing module. These boards feature an SMB antenna connector and 5V power supply circuitry for an external active multi-band GNSS antenna. The RCB-F9T boards provide an 8-pin 2mm pitch pin-header that offers powering of the board, UART communications, and two independently configurable time pulse signals. These boards operate from a 2.7V to 3.6V supply voltage range, -40°C to 85°C operating temperature range, and a 100mA power supply current (ICC) at 3.3V.Features
- Multi-band GNSS receiver type
- Supports GPS, Galileo, GLONASS, and BeiDou constellations
- Differential timing mode
- Supports Quasi-Zenith Satellite System (QZSS)
- Supports Satellite Based Augmentation System (SBAS)
- Broadcast navigation data and satellite signal measurements
- Supported protocols:
- UBX
- NMEA 4.10
- RTCM 3.3
Specifications
- 8-pin 2mm pitch pin-header
- 2.7V to 3.6V supply voltage range
- -40°C to 85°C operating temperature range
- 100mA power supply current (ICC) at 3.3V
- 0.25Hz to 25MHz configurable time pulse signal frequency range
- ±4ns time pulse jitter
Block Diagram
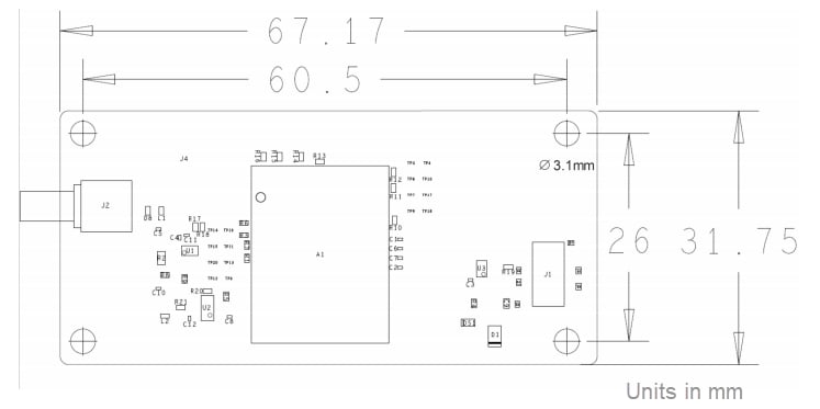
Mechanical Drawing
發佈日期: 2021-08-02
| 更新日期: 2022-03-11
