Vishay / Dale IHLP-5050FD-8A Automotive-Grade IHLP Inductors
Vishay / Dale IHLP-5050FD-8A Automotive-Grade IHLP Inductors feature a low 6.4mm profile and offer an inductance range 0.22uH to 22uH, low DCR/µH, and ultra-low buzz noise. The IHLP-5050FD-8A series exceeds AEC-Q200 requirements and functions in temperatures up to 180°C. These Vishay / Dale devices are packaged in a 5050 case size. Applications include noise suppression for motors, engine and transmission control units, diesel injection drivers, and LED drivers.Features
- High temperature, up to 180°C
- Shielded construction
- Excellent DC/DC energy storage up to 1MHz to 2MHz, filter inductor applications up the SRF
- Low DCR/μH
- Handles high transient current spikes without saturation
- Ultra-low buzz noise, due to composite construction
- AEC-Q200 qualified
Applications
- Noise suppression for motors
- Windshield wipers
- Power seats
- Power mirrors
- Heating and ventilation blowers
- HID lighting
- Engine and transmission control units
- Diesel injection drivers
- LED drivers
Infographic
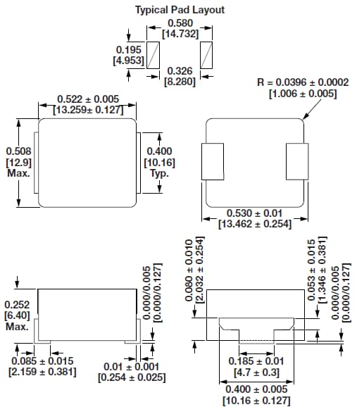
Dimensions
發佈日期: 2016-07-18
| 更新日期: 2022-03-11
