Vishay / Siliconix DG2519E High-Bandwidth Dual SPDT Analog Switches
Vishay / Siliconix DG2519E High-Bandwidth Dual Single-Pole, Double-Throw (SPDT) Analog Switches are monolithic CMOS SPDT analog switches designed explicitly for low-voltage, high-bandwidth applications. The DG2519E on-resistance, matching, and flatness are guaranteed over the entire analog voltage range. Wide dynamic performance is achieved at -61dB (typical) for cross-talk and off-isolation at 1MHz. The SPDTs operate with independent control logic, conduct equally well in both directions, and block signals up to the power supply level when off. Break-before-make is guaranteed. With fast switching speeds, low on-resistance, high bandwidth, and low charge injection, the DG2519E devices are ideally suited for audio and video switching with high linearity. Built on Vishay / Siliconix’s low-voltage CMOS technology, the DG2519E contains an epitaxial layer that prevents latch-up.Features
- Reduced power consumption
- High accuracy
- Reduce board space
- Low-voltage logic compatible
- High bandwidth
- Single supply (1.8V to 5.5V)
- Low 2.5Ω on-resistance (RON)
- -61dB crosstalk and off isolation at 1MHz
- MSOP-10 and DFN-10 package options
- Lead-free, Halogen-free, and RoHS-compliant
Applications
- Cellular phones
- Speaker headset switching
- Audio and video signal routing
- PCMCIA cards
- Low-voltage data acquisition
- ATE
Specifications
- ±50mA maximum continuous current (any terminal)
- ±200mA maximum peak current (pulsed at 1ms, 10% duty cycle)
- Maximum power dissipation
- 320mW for MSOP-10
- 1191mW for DFN-10
- 300mA maximum latch-up
- 2.7V to 3.3V power supply range
- 1μA maximum power supply current
- Maximum ESD ratings
- 7.5kV Human Body Model (HBM)
- 1.5kV Charged Device Model (CDM)
- -40°C to +85°C operating temperature range
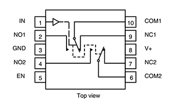
Block Diagram/Pin Configuration
發佈日期: 2024-11-22
| 更新日期: 2024-12-20
