Vishay / Dale ICM2020 High-Current Common Mode Chokes
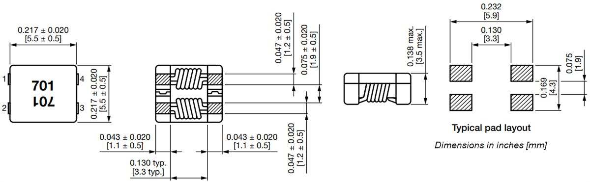
Vishay / Dale ICM2020 High-Current Common Mode Chokes are wirewound ferrite common mode chokes rated with 80VDC operating voltage. These chokes are designed with 10MΩ minimum insulating resistance and operate in a -40°C to +125°C temperature range. The ICM2020 series common mode impedance ranges from 50Ω to 300Ω at 10MHz (typical) and 100Ω to 1400Ω at 100MHz (typical). These chokes are RoHS compliant, lead free, and halogen free and feature a 5.5mm x 5.5mm x 3.5mm SMD package. Vishay / Dale ICM2020 chokes are ideal for LCDs, DC/DC power supplies, lighting drivers, noise suppression and filtering, and battery-powered devices.Features
- Wirewound ferrite common mode choke
- 10MΩ (minimum) insulating resistance
- Common mode impedance
- 50Ω to 300Ω at 10MHz (typical)
- 100Ω to 1400Ω at 100MHz (typical)
- 5.5mm x 5.5mm x 3.5mm SMD package
- -40°C to +125°C operating temperature range
- RoHS compliant
- Lead free and halogen free
Applications
- DC/DC power supplies
- LCDs
- Noise suppression and filtering
- Lighting drivers
- Battery-powered devices
Schematic
Dimensions
發佈日期: 2024-11-22
| 更新日期: 2024-12-12
