Vishay Semiconductors GBPCx Single-Phase Bridge Rectifiers
Vishay Semiconductors GBPCx Single-Phase Bridge Rectifiers are glass passivated devices with high surge current capability. These rectifiers feature less than 0.5μA typical IR and quad circuit configuration. The GBPCx rectifiers operate within -55°C to 150°C and are RoHS compliant. These rectifiers are used in AC/DC bridge full wave rectification, home appliances, office equipment, and industrial automation applications.Features
- UL recognition file number E54214
- Quad circuit configuration
- Less than 0.5μA typical IR
- High surge current capability
- -55°C to 150°C operating junction temperature range
- Solder dip 275°C maximum 10s, per JESD 22-B106
- RoHS compliant
- Universal 3-way terminals (GBPC12, GBPC15, GBPC25, and GBPC35):
- Snap-on
- Wire wrap-around
- PCB mounting
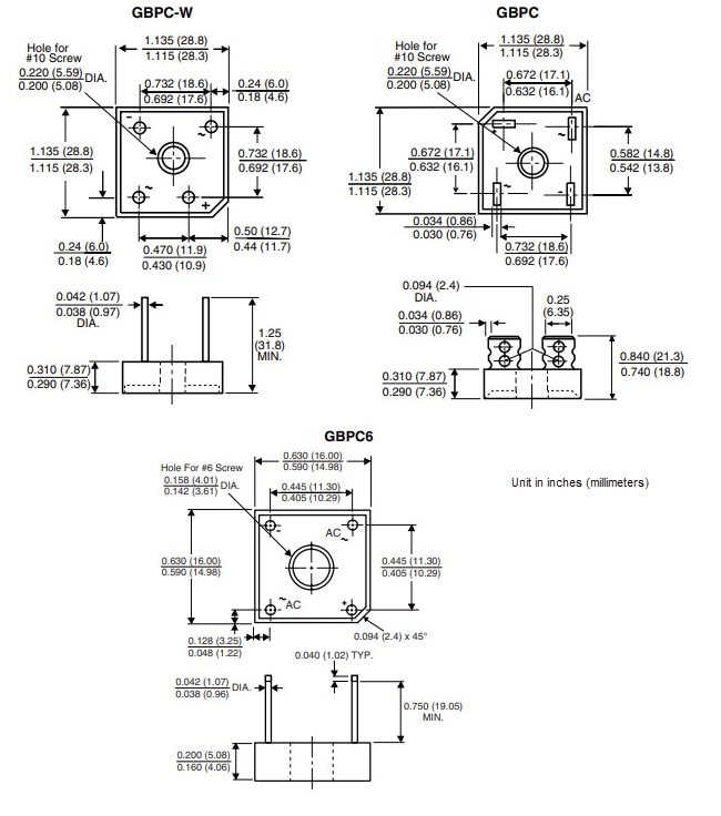
- Packages:
- GBPC and GBPC-W (GBPC12, GBPC15, GBPC25, and GBPC35)
- GBPC6 (GBPC6005, GBPC601, GBPC602, GBPC604, GBPC606, GBPC608, and GBPC610)
Applications
- AC/DC bridge full wave rectification
- Home appliances
- Office equipment
- Industrial automation
Package Outline Dimensions
發佈日期: 2025-02-26
| 更新日期: 2025-03-20
