Winbond W9812G6KB 166/200MHz High-Speed SDRAM

Winbond W9812G6KB 166/200MHz High-Speed SDRAM is organized as 2M words x 4 banks x 16 bits. The Winbond W9812G6KB SDRAM delivers a data bandwidth of up to 166M words per second. W9812G6KB is sorted into the following speed grades for different applications, -6, -6I, and -6J.

Features

  • 3.3V ± 0.3V power supply
  • Up to 166MHz clock frequency
  • 2,097,152 words x 4 banks x 16-bits organization
  • Standard and low-power self-refresh mode
  • 2 and 3 CAS latency
  • 1, 2, 4, 8, and full-page burst length 
  • Sequential and interleave burst
  • Burst read, single write mode
  • Byte data controlled by LDQM, UDQM
  • Power down mode
  • Auto-precharge and controlled precharge
  • 4K refresh cycles/64mS, @ -40°C ≤ TCASE ≤ 85°C
  • 4K refresh cycles/16mS, @ 85°C < TCASE ≤ 105°C
  • LVTTL interface
  • Packaged in TFBGA 54 ball (8x8mm2), using lead-free materials with RoHS compliant

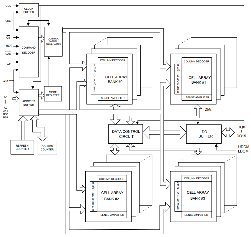
Block Diagram

Block Diagram - Winbond W9812G6KB 166/200MHz High-Speed SDRAM
發佈日期: 2022-07-07 | 更新日期: 2023-01-12