Wolfspeed KIT-CRD-CIL12N-GMA WolfPACK™評估板
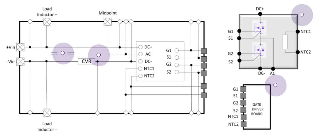
Wolfspeed KIT-CRD-CIL12N-GMA WolfPACK™半橋評估板是一種動態表徵工具,設計用於評估和優化GM3 SiC半橋功率模組的開關性能。此板包含一個具有電流測量功能的壓接式電感負載測試電路,可提供用於雙脈衝測試的高速、低電感測試夾具。該測試夾具搭配選定的閘極驅動板允許測量時間、過沖、速度及開關損耗。
特點
- 針對Wolfspeed的WolfPack GM3 SiC半橋電源模組進行了優化
- DC匯流排電壓高達1,000V
- 板上200uF大容量電容器及高頻薄膜電容器組
- 高速、低電感佈局,雜散電感為4.9nH(10MHz時)
- 板上電流檢視電阻 (CVR)
- 螺絲端子,用於電源、中點及負載電感器連接
應用
- 工業電機驅動器
- 電源
- 太陽能及可再生能源
- 電網基礎設施
相關開發工具
M3 6-Pack module dynamic evaluation board designed for the WolfPACK SiC-based power modules.
可用於評估Wolfspeed WolfPACK™ SiC半橋功率模組的切換效能。
Evaluates the two-channel gate driver for the XM3 SiC half-bridge power modules.
發佈日期: 2021-11-09
| 更新日期: 2022-03-11