套件與一系列閘極驅動器選項配對使用時,可快速評估及最佳化Wolfspeed碳化矽MOSFET的高速動態切換效能。平台也可執行高功率熱測試,以評估實際運作點下的作業。系統中每個區塊都有精確的模組化Spice模型,能讓工程師將測試資料與模擬進行比較,然後以模擬檔案為基礎,建立使用者系統的模型。
透過標準直接插入連接電源子卡的特殊方式,使用者幾秒內就能修改碳化矽裝置,同時保持與DC匯流排的低電感連接,這意味著原本需要數週時間的測試現在幾分鐘就能完成。採用電源子卡的方式讓同一個平台即可評估從表面黏著TOLL裝置到TO-247封裝等各種封裝的SiC裝置。
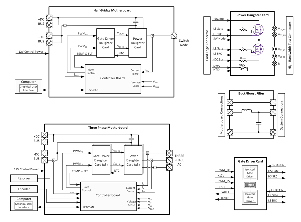
三相主機板具有與半橋板相同的功能,也允許在實際作業條件下快速測試碳化矽裝置,範圍包括2kW至30kW三相工業馬達驅動器、EV輔助馬達、熱幫浦和空調。
特點
- 多重配置
- 可快速更換裝置進行測試
- 經過驗證的相容元件
- 高達15kW的降壓/升壓
- 高達30kW的三相逆變器
- 可測試650V至1200V裝置
應用
- 汽車
- 再生能源
- 電源供應器
- 工業電源
- 馬達驅動器
方塊圖
影片
使用手冊
發佈日期: 2023-10-04
| 更新日期: 2025-12-04

