XP Power ECF40 AC-DC Power Supplies
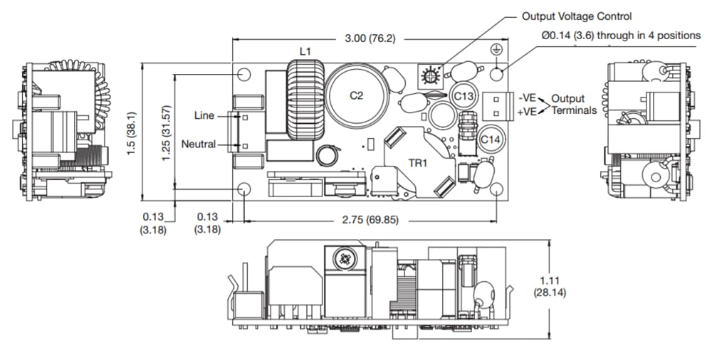
XP Power ECF40 AC-DC Power Supplies are ultra-compact, open-frame, convection-cooled units with a small footprint of 76.2mm x 38.1mm x 28mm. These power supplies provide up to 40W over a 90VAC to 264VAC input range and operate down to 80VAC with minimal de-rating. These units come with a three-year warranty and are approved for medical and Information Technology Equipment (ITE) applications in Class I or Class II installations. XP Power ECF40 power supplies are ideal for health care, technology, and industrial applications.Features
- 40W convection rating
- Ultra-compact 76.2mm x 38.1mm footprint
- Low 28mm profile
- High efficiency
- Medical and ITE approvals
- Class I and Class II installations
- High-power density
- 3-year warranty
Applications
- Health care
- Technology
- Industrial
Specifications
- 80VAC to 264VAC (115/230 typical) input voltage
- 12VDC to 48VDC nominal output voltages
- Derate output from 100% at 90VAC, 90% at 85VAC, and 80% at 80VAC
- <0.15W no-load input power
- 90% typical efficiency
- -40°C to +70°C operating temperature range
- EN61000-3-2 Class A
- Isolation
- 4000VAC input to output, 2 MOPP
- 1500VAC input to ground, 1 MOPP
- 500VAC output to ground, 1 MOPP at output voltage
Mechanical Drawing
發佈日期: 2019-05-20
| 更新日期: 2025-10-30
