STMicroelectronics IPS1025H, IPS1025H-32, & IPS1025HF Switch ICs
STMicroelectronics IPS1025H, IPS1025H-32, and IPS1025HF Switch ICs are single high-side switch ICs that drive capacitive, resistive, or inductive loads with one side connected to the ground. These switch ICs have very low RDS-ON (≤25mΩ up to TJ = 125°C) making the ICs suitable for applications with up to 2.4A/5.6A steady-state operating current. The IPS1025H, IPS1025H-32, and IPS1025HF Switch ICs feature case over-temperature protection, ground disconnection protection, VCC over-voltage protection, and under-voltage lockout. These Switch ICs offer two different sets of activation threshold and limitation levels (IPKH, ILIMH, and IPKL, ILIML) for smart driving of capacitive loads. The IPS1025H, IPS1025H-32, and IPS1025HF Switch ICs are used in programmable logic control, vending machines, numerical control machines, and industrial PC peripheral input/output applications.Features
- 8V to 60V operating supply voltage range
- Smart driving of capacitive load
- Under-voltage lock-out
- VCC over-voltage protection
- Over-temperature event diagnostic pin
- Fast demagnetization of inductive loads
- Overload and over-temperature protection
- Case over-temperature protection
- Overload event diagnostic pin
- Ground disconnection protection
- Designed to meet IEC 61000-4-2, IEC 61000-4-4, and IEC 61000-4-5
- Package powerSSO-24
Applications
- Programmable logic control
- Industrial PC peripheral input/output
- Numerical control machines
- General high-side switch
- Vending machines
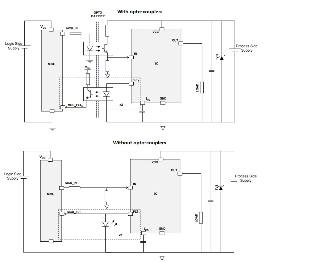
Block Diagram
Typical Application Diagram
發佈日期: 2022-04-19
| 更新日期: 2025-04-07
